Specs/CAD
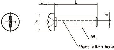
Unit : mm
| Part Number | M (Coarse) Nominal of Thread |
Pitch | L | D1 | L1 | d max. |
Cross-recessed Socket Number |
Qty per Pack | Mass (g)*1 |
CAD Download |
RFQ |
|---|---|---|---|---|---|---|---|---|---|---|---|
| SVPT-M3-6 | M3 | 0.5 | 6 | 5.5 | 2 | 1.2 | 2 | 10 | 0.31 | CAD | RFQ |
| SVPT-M3-8 | M3 | 0.5 | 8 | 5.5 | 2 | 1.2 | 2 | 10 | 0.35 | CAD | RFQ |
| SVPT-M3-10 | M3 | 0.5 | 10 | 5.5 | 2 | 1.2 | 2 | 10 | 0.4 | CAD | RFQ |
| SVPT-M3-12 | M3 | 0.5 | 12 | 5.5 | 2 | 1.2 | 2 | 10 | 0.44 | CAD | RFQ |
| SVPT-M3-16 | M3 | 0.5 | 16 | 5.5 | 2 | 1.2 | 2 | 10 | 0.54 | CAD | RFQ |
| SVPT-M3-20 | M3 | 0.5 | 20 | 5.5 | 2 | 1.2 | 2 | 10 | 0.63 | CAD | RFQ |
| SVPT-M4-6 | M4 | 0.7 | 6 | 7 | 2.6 | 1.5 | 2 | 10 | 0.59 | CAD | RFQ |
| SVPT-M4-8 | M4 | 0.7 | 8 | 7 | 2.6 | 1.5 | 2 | 10 | 0.68 | CAD | RFQ |
| SVPT-M4-10 | M4 | 0.7 | 10 | 7 | 2.6 | 1.5 | 2 | 10 | 0.77 | CAD | RFQ |
| SVPT-M4-12 | M4 | 0.7 | 12 | 7 | 2.6 | 1.5 | 2 | 10 | 0.86 | CAD | RFQ |
| SVPT-M4-16 | M4 | 0.7 | 16 | 7 | 2.6 | 1.5 | 2 | 10 | 1 | CAD | RFQ |
| SVPT-M4-20 | M4 | 0.7 | 20 | 7 | 2.6 | 1.5 | 2 | 10 | 1.2 | CAD | RFQ |
| SVPT-M4-25 | M4 | 0.7 | 25 | 7 | 2.6 | 1.5 | 2 | 10 | 1.4 | CAD | RFQ |
| SVPT-M5-8 | M5 | 0.8 | 8 | 9 | 3.3 | 1.5 | 2 | 10 | 1.3 | CAD | RFQ |
| SVPT-M5-10 | M5 | 0.8 | 10 | 9 | 3.3 | 1.5 | 2 | 10 | 1.4 | CAD | RFQ |
| SVPT-M5-12 | M5 | 0.8 | 12 | 9 | 3.3 | 1.5 | 2 | 10 | 1.5 | CAD | RFQ |
| SVPT-M5-16 | M5 | 0.8 | 16 | 9 | 3.3 | 1.5 | 2 | 10 | 1.8 | CAD | RFQ |
| SVPT-M5-20 | M5 | 0.8 | 20 | 9 | 3.3 | 1.5 | 2 | 10 | 2.1 | CAD | RFQ |
| SVPT-M5-25 | M5 | 0.8 | 25 | 9 | 3.3 | 1.5 | 2 | 10 | 2.4 | CAD | RFQ |
| SVPT-M5-30 | M5 | 0.8 | 30 | 9 | 3.3 | 1.5 | 2 | 10 | 2.8 | CAD | RFQ |
Nabeya Bi-tech Kaisha
Customer Service
Please enter questions about customization and other product-related inquiries here.
Find the inquiry form here●When purchasing less volume than one full bag, a separate handling fee is charged. For details, see the Sold Separately Service.
Related Services
Material/Finish
| SVPT | |
|---|---|
| Main body | TW270 (Type 1 titanium) |
Application
Vacuum device / Vacuum container / FPD production device /Semiconductor manufacturing device / Electron microscope
Characteristics
- The ventilation hole easily releases gas trapped in the screw holes of equipment and machines, and supports vacuum drawing of vacuum devices.
- Chemical polishing and brightening processing improve the quality of the surface. Outgas quantity is extremely low.
- Nonmagnetic.
- Cleanroom wash and cleanroom packing are completed.⇒Cleanroom Wash / Cleanroom Packing Service
- The features of brightening processing and titanium⇒Properties of Titanium




/11381_1.jpg?upd=20260416092946&awscf_publishdate=2026-05-18 18:35)


