Specs/CAD
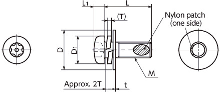
Unit : mm
| Part Number | M (Coarse) Nominal of Thread |
Pitch | L | D1 | D | L1 | t | T (Approx.) |
Applicable Wrench | Screwdriver Part No. |
Hexalobular Socket No. |
Qty per Pack | Mass (g) |
CAD Download |
RFQ |
|---|---|---|---|---|---|---|---|---|---|---|---|---|---|---|---|
| SRTSQ-M2-5-TZB-ALK | M2 | 0.4 | 5 | 3.5 | 5 | 1.3 | 0.3 | 0.7 | - | SRD-6.35 | 6 | 20 | 0.24 | CAD | RFQ |
| SRTSQ-M2-6-TZB-ALK | M2 | 0.4 | 6 | 3.5 | 5 | 1.3 | 0.3 | 0.7 | - | SRD-6.35 | 6 | 20 | 0.26 | CAD | RFQ |
| SRTSQ-M2-8-TZB-ALK | M2 | 0.4 | 8 | 3.5 | 5 | 1.3 | 0.3 | 0.7 | - | SRD-6.35 | 6 | 20 | 0.27 | CAD | RFQ |
| SRTSQ-M2.6-5-TZB-ALK | M2.6 | 0.45 | 5 | 4.5 | 6.5 | 1.7 | 0.5 | 0.7 | - | SRD-6.35 | 8 | 20 | 0.45 | CAD | RFQ |
| SRTSQ-M2.6-6-TZB-ALK | M2.6 | 0.45 | 6 | 4.5 | 6.5 | 1.7 | 0.5 | 0.7 | - | SRD-6.35 | 8 | 20 | 0.48 | CAD | RFQ |
| SRTSQ-M2.6-8-TZB-ALK | M2.6 | 0.45 | 8 | 4.5 | 6.5 | 1.7 | 0.5 | 0.7 | - | SRD-6.35 | 8 | 20 | 0.57 | CAD | RFQ |
| SRTSQ-M3-6-TZB-ALK | M3 | 0.5 | 6 | 5.5 | 7 | 2 | 0.5 | 0.7 | SRX-10 | SRD-6.35 | 10 | 20 | 0.68 | CAD | RFQ |
| SRTSQ-M3-8-TZB-ALK | M3 | 0.5 | 8 | 5.5 | 7 | 2 | 0.5 | 0.7 | SRX-10 | SRD-6.35 | 10 | 20 | 0.75 | CAD | RFQ |
| SRTSQ-M3-10-TZB-ALK | M3 | 0.5 | 10 | 5.5 | 7 | 2 | 0.5 | 0.7 | SRX-10 | SRD-6.35 | 10 | 20 | 0.87 | CAD | RFQ |
| SRTSQ-M4-8-TZB-ALK | M4 | 0.7 | 8 | 7 | 9 | 2.6 | 0.8 | 1 | SRX-20 | SRD-6.35 | 20 | 20 | 1.61 | CAD | RFQ |
| SRTSQ-M4-10-TZB-ALK | M4 | 0.7 | 10 | 7 | 9 | 2.6 | 0.8 | 1 | SRX-20 | SRD-6.35 | 20 | 20 | 1.77 | CAD | RFQ |
| SRTSQ-M4-12-TZB-ALK | M4 | 0.7 | 12 | 7 | 9 | 2.6 | 0.8 | 1 | SRX-20 | SRD-6.35 | 20 | 20 | 1.92 | CAD | RFQ |
Nabeya Bi-tech Kaisha
Customer Service
Please enter questions about customization and other product-related inquiries here.
Find the inquiry form here● When purchasing less volume than one full bag, a separate handling fee is charged. For details, see the Sold Separately Service.
Related Services
Material/Finish
| SRTSQ-TZB-ALK | |
|---|---|
| Screw Body | Steel Trivalent Chromate Treatment |
| Screw Body Strength Class | 4.8 Equivalent |
| Plain Washer | Steel Trivalent Chromate Treatment |
| Spring Washer | Steel Trivalent Chromate Treatment |
| Nylon Patch | Nylon 11 |
Application
Equipment/devices disassembly/tampering preventionTheft prevention for outdoor facilities
Security measures
Safety measures
Screw return and fallout prevented
Characteristics
- Pan head machine screws with captive washers, with a pin at the center of the hexalobular socket*1.
- With nylon patch.
- Former JIS-standard plain washers and spring washers are integrated into the screws, preventing concerns about fallout issues. (Washer abbreviation: I=3)
- For screws with captive washers, see “What are screws with captive washers (SEMS screws)?” .
- When using a washer in spot facing, workability is improved because the bolt and washer can be mounted and removed at the same time.
- The friction of the nylon adhered to the thread suppresses the return rotation of the thread.
- Even if the tightening force is lost, the return rotation is suppressed, preventing the screws from falling off.
- The heat resistant temperature of the nylon patch is 120°C.
- This prevents mounting and removing with regular tools.
- Install and remove with SRX Dedicated Wrench or SRXB Dedicated Bit and SRD Dedicated Magnetic Screwdriver together.
*1: The hexalobular shape is prescribed by JIS B 1015: 2008(ISO 10664: 2005)"Hexalobular internal driving feature for bolts and screws".












