Specs/CAD
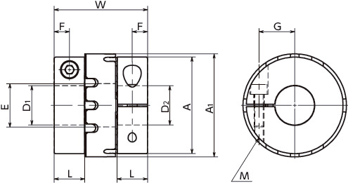
Unit : mm
| Part Number | Max. Bore Diameter (mm) |
Keyway Additional Modification Max. Bore Diameter (mm) |
Rated Torque (N・m)*1 |
Max. Torque (N・m)*1 |
Max. Rotational Frequency (min-1) |
Moment of Inertia (kg・m2)*2 |
Static Torsional Stiffness (N・m/rad) |
Max. Lateral Misalignment (mm) |
Max. Angular Misalignment (°) |
Mass (g)*2 |
|---|---|---|---|---|---|---|---|---|---|---|
| MOT-55C | 25 | 25 | 30 | 60 | 2000 | 6.9×10-5 | 3100 | 3 | 3 | 170 |
| MOT-63C | 32 | 32 | 45 | 90 | 2000 | 1.5×10-4 | 4900 | 4 | 3 | 270 |
| MOT-75C | 40 | 40 | 80 | 160 | 2000 | 4.7×10-4 | 9800 | 4.5 | 3 | 540 |
*1: Correction of rated torque and max. torque due to load fluctuation is not required.
If ambient temperature exceeds 30°C, be sure to correct the rated torque and max. torque with temperature correction factor shown in the following table. The allowable operating temperature of MOT-C is -20°C to 80°C.
The shaft's slip torque may be smaller than the coupling's rated torque depending on the shaft bore. ⇒Slip torque
*2: These are values with max. bore diameter.| Part Number | Standard Bore Diameter (Dimensional Allowance H8) D1 - D2 |
||||||||||||
|---|---|---|---|---|---|---|---|---|---|---|---|---|---|
| 12 | 14 | 15 | 16 | 18 | 20 | 22 | 25 | 28 | 30 | 35 | 38 | 40 | |
| MOT-55C | ● | ● | ● | ● | ● | ● | ● | ● | - | - | - | - | - |
| MOT-63C | - | - | - | ● | ● | ● | ● | ● | ● | ● | - | - | - |
| MOT-75C | - | - | - | - | - | ● | ● | ● | ● | ● | ● | ● | ● |
● All products are provided with hex socket head cap screw.
● Recommended tolerance for shaft diameters is h6 and h7.
● A set of hubs with set screw type for one side and clamping type for the other side and others are available upon request.
● Bore and keyway modifications are available on request. Please take advantage of our modification services.
● For the shaft insertion amount to the coupling, see Mounting/maintenance.⇒Mounting and Maintenance
Ambient Temperature / Temperature Correction Factor
| Ambient Temperature | Temperature Correction Factor |
|---|---|
| -20°C to 30°C | 1.00 |
| 30°C to 40°C | 0.80 |
| 40°C to 60°C | 0.70 |
| 60°C to 80°C | 0.55 |
Slip torque
As in the table below, the clamping type MOT-C has different slip torque according to the bore diameter. Take care during selection.Unit : N・m
| Part Number | Bore Diameter | ||||||||||||
|---|---|---|---|---|---|---|---|---|---|---|---|---|---|
| 12 | 14 | 15 | 16 | 18 | 20 | 22 | 25 | 28 | 30 | 35 | 38 | 40 | |
| MOT-55C | 14 | 16 | 18 | 19 | 22 | 25 | 27 | 32 | |||||
| MOT-63C | 37 | 42 | 47 | 52 | 60 | 67 | 72 | ||||||
| MOT-75C | 87 | 96 | 109 | 122 | 131 | 154 | 168 | 177 | |||||
These are test values based on the conditions of shaft dimensional allowance: g6, hardness: 58 HRC or higher, and screw tightening torque of the values described in MOT-C dimension tables. They are not guaranteed values.
Slip torque changes with usage conditions. Carry out tests under conditions similar to actual conditions in advance.
Structure

Material/Finish
| MOT-C | |
|---|---|
| Hub | A2017 Anodized*1 |
| Spacers | Polyacetal |
| Hex Socket Head Cap Screw | SCM435 Ferrosoferric Oxide Film (Black) |
*1: With regard to bore surface treatment, process needs may result in a mixture of parts with and without surface treatment. This will not lead to any issues in terms of coupling performance.
Characteristics
- Applicable Motors
| MOT-C | |
|---|---|
| Servomotor | ● |
| Stepping Motor | ● |
| General-purpose Motor | ◎ |
- Property
| MOT-C | |
|---|---|
| High Torque | ◎ |
| Allowable Misalignment | ◎ |
| Small Eccentric Reaction Force | ◎ |
| Allowable Operating Temperature | -20°C to 80°C |
- Oldham-type flexible couplings compliant with the Japan Machine Accessory Association organizational standards (TES 1403).
- Slippage of hubs and a spacer allows large lateral and angular misalignment to be accepted.
- The eccentric reaction generated by misalignment is small and the burden on the shaft is reduced.
- The simple structure allows the unit to be easily assembled.
Application
Transport conveyors / Mixers / PumpsPrecautions for Use
In case of mounting on D-cut shaft, be careful about the position of the D-cut surface of the shaft.⇒Mounting and MaintenanceChemical resistance of the spacer (Polyacetal)
| Effect | |
|---|---|
| Gasoline | △ |
| Lubricant Oil | △ |
| Benzine | × |
| Ethyl Alcohol | ○ |
| Acetone | △ |
| Benzene | △ |
| Toluene | △ |
| Xylene | ○ |
The data above does not indicate stress cracking resistance properties. Take sufficient precautions during usage under external stress.
This is test data with a specimen used at room temperature (23°C). Chemical resistance changes with performance conditions. Always carry out tests under performance conditions similar to actual conditions in advance.
Physical property of the spacer (Polyacetal)
| Test Method (ASTM) | Unit | Polyacetal | |
|---|---|---|---|
| Dielectric Strength (3mm) |
D149 | kV/mm | 19.0 |
| Surface Resistance Value | D257 | Ω | 1016 |
| Combustibility (UL) | - | - | HB (0.75mm) |
Indicates the spacer (polyacetal) material properties and does not guarantee product performance.
The combustibility is a value based on similar estimates from evaluation test results with reference to material information and UL standards.
As properties change with usage conditions, carry out tests under performance conditions similar to actual conditions in advance.
Spacer's Projection Structure
Spacer's projection structure allows large angular misalignment to be effortlessly accepted. It reduces burden on the shaft.
Change in static torsional stiffness due to temperature
This is a value under the condition where the static torsional stiffness at 20°C is 100%.Changes in the static torsion spring constant within the operating temperature are shown in the graph.
Before using the unit, be aware of the deterioration of responsiveness.





