Specs/CAD
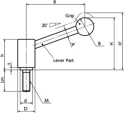
Unit : mm
| Part Number | M (Coarse) Nominal of Thread |
Pitch | Lm | R | H | H' | h | s | A | B | D | d | Tooth No. | Max. load*1 (N) |
Max. tightening force*1 (kN) |
Mass (g) |
CAD Download |
Cart |
|---|---|---|---|---|---|---|---|---|---|---|---|---|---|---|---|---|---|---|
| LTM-10-30 | M10 | 1.5 | 30 | 81 | 72.5 | 78 | 42.5 | 2.5 | 10 | 25 | 24 | 17 | 24 | 280 | 16 | 195 | CAD | RFQ |
| LTM-10-40 | M10 | 1.5 | 40 | 81 | 72.5 | 78 | 42.5 | 2.5 | 10 | 25 | 24 | 17 | 24 | 280 | 16 | 203 | CAD | RFQ |
| LTM-10-50 | M10 | 1.5 | 50 | 81 | 72.5 | 78 | 42.5 | 2.5 | 10 | 25 | 24 | 17 | 24 | 280 | 16 | 210 | CAD | RFQ |
*1: For the definitions of maximum load and maximum clamping force, see "Using the Clamp Lever / Tension Lever."⇒Using the Clamp Lever / Tension Lever
Nabeya Bi-tech Kaisha
Customer Service
Please enter questions about customization and other product-related inquiries here.
Find the inquiry form hereMaterial/Finish
| LTM | |
|---|---|
| Lever Part | S45C Ferrosoferric Oxide Film (Black) |
| Thread Part | S45C Ferrosoferric Oxide Film (Black) |
| Grip | Phenol Resin (Black) |
Characteristics
- A strong type clamping lever.
-
Products of special specifications such as rotating radius of the lever can also be manufactured.
Please feel free to contact our customer service.






