Specs/CAD
Unit : mm
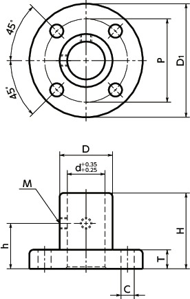
| Part Number | d | D | D1 | H | T | P | C | h | M | Mass (g) |
CAD Download |
Cart |
|---|---|---|---|---|---|---|---|---|---|---|---|---|
| DPH-30-R | 30 | 38 | 66 | 38 | 10 | 52 | 6.6 | 24 | 6 | 295 | CAD | RFQ |
| DPH-40-R | 40 | 48 | 76 | 38 | 10 | 62 | 6.6 | 24 | 6 | 360 | CAD | RFQ |
●All products are provided with hex socket set screws.
Material/Finish
| DPH | |
|---|---|
| Main body | S45C Electroless Nickel Plating |
| Hex Socket Set Screw | SUSXM7 |
Characteristics
- For round pipe fixing.
- We also produce products of special specifications, e.g. materials, dimensions and surface treatment. Please feel free to contact our customer service.





