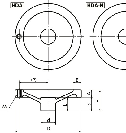
Specs/CAD
Unit : mm
Material/Finish
| HDA | |
|---|---|
| Main body | AC8A Entire Shot Blast |
Characteristics
- Standard model with an aluminum disk handwheel.
-
Products with/without grip mounting holes can be selected by the end symbol of the part number.
HDA----With grip mounting hole
HDA-N----Without grip mounting hole - There is no grip supplied with this product. Order a grip separately. ⇒Grips
Specification Changes
Thank you for using the NBK website.Our Aluminum Disk Handwheel HDA/HDA-N specifications will be changed as follows.
See here for details
https://www.nbk1560.com/news/2022/20220518_2/
We apologize for the inconvenience and hope you will visit the site again.









