Unit : mm
With hex socket set screw without key.
Use the key provided with the main body of the Digicollar.
Material/Finish
| RNCL-R | |
|---|---|
| Main unit | S45C Ferrosoferric Oxide Film (Black) |
Characteristics
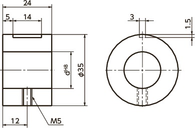
- Digicollar bore diameter collar.
- Digicollar bore diameter can be changed to match the rotation shaft.
- All products are provided with hex socket set screws.
- Keys are not supplied. Use the key provided with the main body of the Digicollar.


