Hints for Correctly Using NBK Products
The video is an example using SSC (SSC). You can perform the same operation using this product.
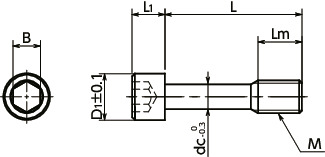
Specs/CAD
Unit : mm
| Part Number | M (Coarse) Nominal of Thread |
Pitch | L | Lm | D1 | L1 | B | dc | Mass (g) |
CAD Download |
RFQ |
|---|---|---|---|---|---|---|---|---|---|---|---|
| SSC-M3-8-SD | M3 | 0.5 | 8 | 4 | 4.5 | 3 | 2.5 | 2.2 | 0.8 | CAD | RFQ |
| SSC-M3-10-SD | M3 | 0.5 | 10 | 4 | 4.5 | 3 | 2.5 | 2.2 | 0.88 | CAD | RFQ |
| SSC-M3-12-SD | M3 | 0.5 | 12 | 4 | 4.5 | 3 | 2.5 | 2.2 | 0.96 | CAD | RFQ |
| SSC-M4-10-SD | M4 | 0.7 | 10 | 5 | 5.5 | 4 | 3 | 3 | 1.8 | CAD | RFQ |
| SSC-M4-12-SD | M4 | 0.7 | 12 | 5 | 5.5 | 4 | 3 | 3 | 2 | CAD | RFQ |
| SSC-M4-16-SD | M4 | 0.7 | 16 | 5 | 5.5 | 4 | 3 | 3 | 2.3 | CAD | RFQ |
| SSC-M4-20-SD | M4 | 0.7 | 20 | 5 | 5.5 | 4 | 3 | 3 | 2.7 | CAD | RFQ |
| SSC-M5-12-SD | M5 | 0.8 | 12 | 6 | 7 | 4.5 | 4 | 3.9 | 3 | CAD | RFQ |
| SSC-M5-16-SD | M5 | 0.8 | 16 | 6 | 7 | 4.5 | 4 | 3.9 | 3.5 | CAD | RFQ |
| SSC-M5-20-SD | M5 | 0.8 | 20 | 6 | 7 | 4.5 | 4 | 3.9 | 4 | CAD | RFQ |
| SSC-M5-25-SD | M5 | 0.8 | 25 | 6 | 7 | 4.5 | 4 | 3.9 | 4.8 | CAD | RFQ |
| SSC-M6-12-SD | M6 | 1 | 12 | 8 | 8.5 | 5.5 | 5 | 4.5 | 5.1 | CAD | RFQ |
| SSC-M6-16-SD | M6 | 1 | 16 | 8 | 8.5 | 5.5 | 5 | 4.5 | 5.8 | CAD | RFQ |
| SSC-M6-20-SD | M6 | 1 | 20 | 8 | 8.5 | 5.5 | 5 | 4.5 | 6.5 | CAD | RFQ |
| SSC-M6-25-SD | M6 | 1 | 25 | 8 | 8.5 | 5.5 | 5 | 4.5 | 7.6 | CAD | RFQ |
| SSC-M6-30-SD | M6 | 1 | 30 | 8 | 8.5 | 5.5 | 5 | 4.5 | 8.3 | CAD | RFQ |
| SSC-M8-16-SD | M8 | 1.25 | 16 | 10 | 11 | 7.5 | 6 | 6.3 | 12 | CAD | RFQ |
| SSC-M8-20-SD | M8 | 1.25 | 20 | 10 | 11 | 7.5 | 6 | 6.3 | 13 | CAD | RFQ |
| SSC-M8-25-SD | M8 | 1.25 | 25 | 10 | 11 | 7.5 | 6 | 6.3 | 15 | CAD | RFQ |
| SSC-M8-30-SD | M8 | 1.25 | 30 | 10 | 11 | 7.5 | 6 | 6.3 | 17 | CAD | RFQ |
| SSC-M8-35-SD | M8 | 1.25 | 35 | 10 | 11 | 7.5 | 6 | 6.3 | 19 | CAD | RFQ |
| SSC-M8-40-SD | M8 | 1.25 | 40 | 10 | 11 | 7.5 | 6 | 6.3 | 21 | CAD | RFQ |
Nabeya Bi-tech Kaisha
Customer Service
Please enter questions about customization and other product-related inquiries here.
Find the inquiry form hereRelated Services
Material/Finish
| SSC-SD | |
|---|---|
| Main Body | SUSXM7 (Equivalent to SUS304) |
| Strength Class | A2 - 70 |
Application
For fixing protective covers and maintenance coversCE Marking compatible
Machine tools / Food machinery / Electrical and electronic equipment
Characteristics
- Prevents fallout and loss of the screw. They are intended to fix protective and inspection covers that are frequently installed and removed.
- For CE Marking compatibility.⇒Use the NBK Captive Screw Series to be comply with CE
Precautions for Use
- Screw hole inner diameter on the cover side shall be at least the dc dimension.
- The cover thickness should be 0.8 mm or above.
- Since the head bearing surface area is small, the bearing surface pressure increases.
- Using the following formula as a reference, ensure that the bearing surface pressure due to screw tightening does not exceed the permitted surface pressure of the intended fastening material.

Head Diameter and Screw Effective Cross-Sectional Area
| Part Number | Head Diameter (mm) | Screw Effective Cross-Sectional Area (mm2) |
|---|---|---|
| SSC-M3-SD | 4.5 | 5.03 |
| SSC-M4-SD | 5.5 | 8.78 |
| SSC-M5-SD | 7 | 14.2 |
| SSC-M6-SD | 8.5 | 20.1 |
| SSC-M8-SD | 11 | 36.6 |
Installation Example
Make a screw hole in the cover, and then pass the SSC-SD thread part through it. Even when the screw is removed from the frame, SSC-SD does not fall out of the cover because the SSC-SD thread part catches on the cover screw hole.






