Hints for Correctly Using NBK Products
The video is an example using SSC(SSC). You can perform the same operation using this product.
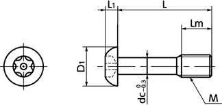
Specs/CAD
Unit : mm
| Part Number | M (Coarse) Nominal of Thread |
Pitch | L | Lm | D1 | L1 | dc | Applicable Wrench Type | Applicable Bit Type | Hexalobular Socket No. |
Mass (g) |
CAD Download |
RFQ | |
|---|---|---|---|---|---|---|---|---|---|---|---|---|---|---|
| Bit | Driver | |||||||||||||
| SSC-SRBS-M3-8 | M3 | 0.5 | 8 | 4 | 5.7 | 1.65 | 2.2 | SRX-10 | SRXB-10 | SRD-6.35 | 10 | 0.57 | CAD | RFQ |
| SSC-SRBS-M3-10 | M3 | 0.5 | 10 | 4 | 5.7 | 1.65 | 2.2 | SRX-10 | SRXB-10 | SRD-6.35 | 10 | 0.65 | CAD | RFQ |
| SSC-SRBS-M3-12 | M3 | 0.5 | 12 | 4 | 5.7 | 1.65 | 2.2 | SRX-10 | SRXB-10 | SRD-6.35 | 10 | 0.73 | CAD | RFQ |
| SSC-SRBS-M3-16 | M3 | 0.5 | 16 | 4 | 5.7 | 1.65 | 2.2 | SRX-10 | SRXB-10 | SRD-6.35 | 10 | 0.93 | CAD | RFQ |
| SSC-SRBS-M4-10 | M4 | 0.7 | 10 | 5 | 7.6 | 2.2 | 3 | SRX-20 | SRXB-20 | SRD-6.35 | 20 | 1.4 | CAD | RFQ |
| SSC-SRBS-M4-12 | M4 | 0.7 | 12 | 5 | 7.6 | 2.2 | 3 | SRX-20 | SRXB-20 | SRD-6.35 | 20 | 1.5 | CAD | RFQ |
| SSC-SRBS-M4-16 | M4 | 0.7 | 16 | 5 | 7.6 | 2.2 | 3 | SRX-20 | SRXB-20 | SRD-6.35 | 20 | 1.8 | CAD | RFQ |
| SSC-SRBS-M4-20 | M4 | 0.7 | 20 | 5 | 7.6 | 2.2 | 3 | SRX-20 | SRXB-20 | SRD-6.35 | 20 | 2.2 | CAD | RFQ |
| SSC-SRBS-M5-12 | M5 | 0.8 | 12 | 6 | 9.5 | 2.75 | 3.9 | SRX-25 | SRXB-25 | SRD-6.35 | 25 | 2.3 | CAD | RFQ |
| SSC-SRBS-M5-16 | M5 | 0.8 | 16 | 6 | 9.5 | 2.75 | 3.9 | SRX-25 | SRXB-25 | SRD-6.35 | 25 | 2.8 | CAD | RFQ |
| SSC-SRBS-M5-20 | M5 | 0.8 | 20 | 6 | 9.5 | 2.75 | 3.9 | SRX-25 | SRXB-25 | SRD-6.35 | 25 | 3.3 | CAD | RFQ |
| SSC-SRBS-M5-25 | M5 | 0.8 | 25 | 6 | 9.5 | 2.75 | 3.9 | SRX-25 | SRXB-25 | SRD-6.35 | 25 | 4.1 | CAD | RFQ |
| SSC-SRBS-M6-12 | M6 | 1 | 12 | 8 | 10.5 | 3.3 | 4.5 | SRX-30 | SRXB-30 | SRD-6.35 | 30 | 3.6 | CAD | RFQ |
| SSC-SRBS-M6-16 | M6 | 1 | 16 | 8 | 10.5 | 3.3 | 4.5 | SRX-30 | SRXB-30 | SRD-6.35 | 30 | 4.3 | CAD | RFQ |
| SSC-SRBS-M6-20 | M6 | 1 | 20 | 8 | 10.5 | 3.3 | 4.5 | SRX-30 | SRXB-30 | SRD-6.35 | 30 | 5.1 | CAD | RFQ |
| SSC-SRBS-M6-25 | M6 | 1 | 25 | 8 | 10.5 | 3.3 | 4.5 | SRX-30 | SRXB-30 | SRD-6.35 | 30 | 6.1 | CAD | RFQ |
| SSC-SRBS-M6-30 | M6 | 1 | 30 | 8 | 10.5 | 3.3 | 4.5 | SRX-30 | SRXB-30 | SRD-6.35 | 30 | 6.9 | CAD | RFQ |
| SSC-SRBS-M8-16 | M8 | 1.25 | 16 | 10 | 14 | 4.4 | 6.3 | SRX-40 | SRXB-40 | SRD-6.35 | 40 | 9.1 | CAD | RFQ |
| SSC-SRBS-M8-20 | M8 | 1.25 | 20 | 10 | 14 | 4.4 | 6.3 | SRX-40 | SRXB-40 | SRD-6.35 | 40 | 10 | CAD | RFQ |
| SSC-SRBS-M8-25 | M8 | 1.25 | 25 | 10 | 14 | 4.4 | 6.3 | SRX-40 | SRXB-40 | SRD-6.35 | 40 | 12 | CAD | RFQ |
| SSC-SRBS-M8-30 | M8 | 1.25 | 30 | 10 | 14 | 4.4 | 6.3 | SRX-40 | SRXB-40 | SRD-6.35 | 40 | 14 | CAD | RFQ |
| SSC-SRBS-M8-40 | M8 | 1.25 | 40 | 10 | 14 | 4.4 | 6.3 | SRX-40 | SRXB-40 | SRD-6.35 | 40 | 18 | CAD | RFQ |
Nabeya Bi-tech Kaisha
Customer Service
Please enter questions about customization and other product-related inquiries here.
Find the inquiry form hereRelated Services
Material/Finish
| SSC-SRBS | |
|---|---|
| Main Body | Equivalent to SUS304 |
| Strength Class | Equivalent to A2-50 |
Application
Fixing of protection cover and cover for inspection / CE markingMachine tool / Food machinery / and Electronic device
Characteristics
- Prevents fall-off and loss of the screw. They are intended to fix protective and inspection covers that are frequently installed and removed.
- Tamper resistant screw type.
- For CE Marking compatibility. ⇒Use the NBK Captive Screw Series to be comply with CE
- Install and remove with SRX Dedicated Wrench or SRXB Dedicated Bit and SRD Dedicated Magnetic Screwdriver together.
- We also produce captive screws of special specifications, e.g. dimensions, shapes, materials and surface treatment. Please contact our customer service.

Precautions for Use
- Screw hole inner diameter on the cover side shall be at least the dc dimension.
- The cover thickness should be 0.8 mm or above.
Installation Example
Machine a screw hole on the cover and let through the threaded part of SSC-SRBS. Threaded part of SSC-SRBS is still engaged with the screw hole on the cover even after the screw is removed from the frame, so SSC-SRBS never fall out of the cover.










