Hints for Correctly Using NBK Products
The video is an example using SSC (SSC). You can perform the same operation using this product.
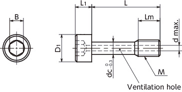
Specs/CAD
Unit : mm
| Part Number | M (Coarse) Nominal of Thread |
Pitch | L | Lm | D1 | L1 | B | dc | d max. | Max. Tightening Torque*1 (N・m) |
Mass (g) |
CAD Download |
RFQ |
|---|---|---|---|---|---|---|---|---|---|---|---|---|---|
| SSC-SVSS-M3-8 | M3 | 0.5 | 8 | 4 | 5.5 | 3 | 2.5 | 2.2 | 1.2 | 0.75 | 0.8 | CAD | RFQ |
| SSC-SVSS-M3-10 | M3 | 0.5 | 10 | 4 | 5.5 | 3 | 2.5 | 2.2 | 1.2 | 0.75 | 0.88 | CAD | RFQ |
| SSC-SVSS-M3-12 | M3 | 0.5 | 12 | 4 | 5.5 | 3 | 2.5 | 2.2 | 1.2 | 0.75 | 0.96 | CAD | RFQ |
| SSC-SVSS-M3-16 | M3 | 0.5 | 16 | 4 | 5.5 | 3 | 2.5 | 2.2 | 1.2 | 0.75 | 1.2 | CAD | RFQ |
| SSC-SVSS-M4-10 | M4 | 0.7 | 10 | 5 | 7 | 4 | 3 | 3 | 1.5 | 1.8 | 1.8 | CAD | RFQ |
| SSC-SVSS-M4-12 | M4 | 0.7 | 12 | 5 | 7 | 4 | 3 | 3 | 1.5 | 1.8 | 2 | CAD | RFQ |
| SSC-SVSS-M4-16 | M4 | 0.7 | 16 | 5 | 7 | 4 | 3 | 3 | 1.5 | 1.8 | 2.3 | CAD | RFQ |
| SSC-SVSS-M4-20 | M4 | 0.7 | 20 | 5 | 7 | 4 | 3 | 3 | 1.5 | 1.8 | 2.7 | CAD | RFQ |
| SSC-SVSS-M5-12 | M5 | 0.8 | 12 | 6 | 9 | 5 | 4 | 3.9 | 1.5 | 4.8 | 3 | CAD | RFQ |
| SSC-SVSS-M5-16 | M5 | 0.8 | 16 | 6 | 9 | 5 | 4 | 3.9 | 1.5 | 4.8 | 3.5 | CAD | RFQ |
| SSC-SVSS-M5-20 | M5 | 0.8 | 20 | 6 | 9 | 5 | 4 | 3.9 | 1.5 | 4.8 | 4 | CAD | RFQ |
| SSC-SVSS-M5-25 | M5 | 0.8 | 25 | 6 | 9 | 5 | 4 | 3.9 | 1.5 | 4.8 | 4.8 | CAD | RFQ |
| SSC-SVSS-M6-12 | M6 | 1 | 12 | 8 | 10 | 6 | 5 | 4.5 | 2 | 7.2 | 5.1 | CAD | RFQ |
| SSC-SVSS-M6-16 | M6 | 1 | 16 | 8 | 10 | 6 | 5 | 4.5 | 2 | 7.2 | 5.8 | CAD | RFQ |
| SSC-SVSS-M6-20 | M6 | 1 | 20 | 8 | 10 | 6 | 5 | 4.5 | 2 | 7.2 | 6.5 | CAD | RFQ |
| SSC-SVSS-M6-25 | M6 | 1 | 25 | 8 | 10 | 6 | 5 | 4.5 | 2 | 7.2 | 7.6 | CAD | RFQ |
| SSC-SVSS-M6-30 | M6 | 1 | 30 | 8 | 10 | 6 | 5 | 4.5 | 2 | 7.2 | 8.3 | CAD | RFQ |
| SSC-SVSS-M8-16 | M8 | 1.25 | 16 | 10 | 13 | 8 | 6 | 6.3 | 2 | 21 | 12 | CAD | RFQ |
| SSC-SVSS-M8-20 | M8 | 1.25 | 20 | 10 | 13 | 8 | 6 | 6.3 | 2 | 21 | 13 | CAD | RFQ |
| SSC-SVSS-M8-25 | M8 | 1.25 | 25 | 10 | 13 | 8 | 6 | 6.3 | 2 | 21 | 15 | CAD | RFQ |
| SSC-SVSS-M8-30 | M8 | 1.25 | 30 | 10 | 13 | 8 | 6 | 6.3 | 2 | 21 | 17 | CAD | RFQ |
| SSC-SVSS-M8-35 | M8 | 1.25 | 35 | 10 | 13 | 8 | 6 | 6.3 | 2 | 21 | 19 | CAD | RFQ |
| SSC-SVSS-M8-40 | M8 | 1.25 | 40 | 10 | 13 | 8 | 6 | 6.3 | 2 | 21 | 21 | CAD | RFQ |
*1: Values in chart are for reference only. They are not guaranteed values.
● Batch cleanroom packing is provided for orders containing multiple items of the same size.
Nabeya Bi-tech Kaisha
Customer Service
Please enter questions about customization and other product-related inquiries here.
Find the inquiry form hereMaterial/Finish
| SSC-SVSS | |
|---|---|
| Main Body | SUSXM7 (Equivalent to SUS304) |
| Strength Class | A2 - 70 |
Application
For fixing protective covers and maintenance coversCE Marking compatible
Machine tools / Food machinery / Electrical and electronic equipment / Vacuum devices / Vacuum chambers / FPD production equipment / Semiconductor manufacturing equipment / Electron microscopes
Characteristics
- Captive screws with ventilation hole.
- Hex socket head cap screw type.
- Prevents fallout and loss of the screw. They are intended to fix protective and inspection covers that are frequently installed and removed.
- For CE Marking compatibility.⇒Use the NBK Captive Screw Series to be comply with CE
- The ventilation hole easily releases gas trapped in the screw holes of equipment and machines, and supports vacuum drawing of vacuum devices.
- Cleanroom washing/cleanroom packing provided.⇒Cleanroom Wash / Cleanroom Packing Service
Usage Example
Gas trapped at the bottom of the screw hole is released through SSC-SVSS, and gas trapped in the cover is released through SWAS-VF.SWAS-VF
Precautions for Use
- Screw hole inner diameter on the cover side shall be at least the dc dimension.
- The cover thickness should be 0.8 mm or above.
Installation Example
Make a screw hole in the cover, and then pass the SSC-SVSS thread part through it. Even when the screw is removed from the frame, SSC-SVSS does not fall out of the cover because the SSC-SVSS thread part catches on the cover screw hole.





/12941_1.jpg?upd=20251104165656&awscf_publishdate=2025-11-28 15:20)



