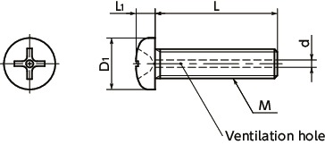
Unit : mm
| Part Number | M (Coarse) Nominal of Thread |
Pitch | L | D1 | L1 | d max. |
Cross-recessed Socket Number |
Qty per Pack | Mass (g)*1 |
CAD Download |
RFQ |
|---|---|---|---|---|---|---|---|---|---|---|---|
| SVPT-M4-25 | M4 | 0.7 | 25 | 7 | 2.6 | 1.5 | 2 | 10 | 1.4 | CAD | RFQ |
Nabeya Bi-tech Kaisha
Customer Service
Please enter questions about customization and other product-related inquiries here.
Find the inquiry form here●When purchasing less volume than one full bag, a separate handling fee is charged. For details, see the Sold Separately Service.
Related Services
Material/Finish
| SVPT | |
|---|---|
| Main body | TW270 (Type 1 titanium) |
Application
Vacuum device / Vacuum container / FPD production device /Semiconductor manufacturing device / Electron microscope
Characteristics
- The ventilation hole easily releases gas trapped in the screw holes of equipment and machines, and supports vacuum drawing of vacuum devices.
- Chemical polishing and brightening processing improve the quality of the surface. Outgas quantity is extremely low.
- Nonmagnetic.
- Cleanroom wash and cleanroom packing are completed.⇒Cleanroom Wash / Cleanroom Packing Service
- The features of brightening processing and titanium⇒Properties of Titanium


