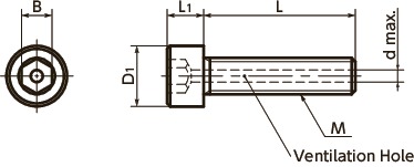
Unit : mm
| Part Number | M (Coarse) Nominal of Thread |
Pitch | L | D1 | L1 | B | d | Qty per Pack | Mass (g) |
CAD Download |
RFQ |
|---|---|---|---|---|---|---|---|---|---|---|---|
| SVSS-M3-16-MOS | M3 | 0.5 | 16 | 5.5 | 3 | 2.5 | 1.2 | 20 | 1.2 | CAD | RFQ |
Nabeya Bi-tech Kaisha
Customer Service
Please enter questions about customization and other product-related inquiries here.
Find the inquiry form hereRelated Services
Material/Finish
| SVSS-MOS | |
|---|---|
| Main Body | SUSXM7 (Equivalent to SUS304) MoS2 Shot |
| Strength Class | A2-70 |
Application
Seizing PreventionVacuum devices, vacuum chambers, FPD production equipment,
semiconductor devices, and electron microscopes
Characteristics
- The ventilation hole easily releases gas trapped in the screw holes of equipment and machines, and supports vacuum drawing of vacuum devices.
- The MoS2 particles shot by shot blast increase the lubrication of the screw and prevent seizing.
- Unlike a general MoS2 lubrication, MoS2 shot does not use a bonding agent so it is easy to identify contained materials.

- Cleanroom wash/cleanroom packing provided.*1⇒Cleanroom Wash / Cleanroom Packing Service
*1:After cleanroom washing, MoS2 shot and cleanroom packing are performed.
Usage Example
Gas trapped at the bottom of a screw hole is released through SVSS-MOS, and gas trapped in a drilled hole is released through SWAS-VF


