Specs/CAD
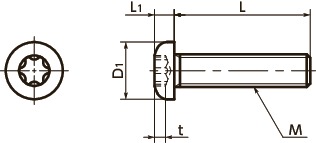
Unit : mm
| Part Number | M (Coarse) Nominal of Thread |
Pitch | L | D1 | L1 | t | Hexalobular Socket No. |
Qty per Pack |
Mass (g) |
CAD Download |
RFQ |
|---|---|---|---|---|---|---|---|---|---|---|---|
| SNPXS-M4-6 | M4 | 0.7 | 6 | 8 | 3.1 | 1.66 | 20 | 20 | 1 | CAD | RFQ |
| SNPXS-M4-8 | M4 | 0.7 | 8 | 8 | 3.1 | 1.66 | 20 | 20 | 1.2 | CAD | RFQ |
| SNPXS-M4-10 | M4 | 0.7 | 10 | 8 | 3.1 | 1.66 | 20 | 20 | 1.3 | CAD | RFQ |
| SNPXS-M4-12 | M4 | 0.7 | 12 | 8 | 3.1 | 1.66 | 20 | 20 | 1.5 | CAD | RFQ |
| SNPXS-M4-16 | M4 | 0.7 | 16 | 8 | 3.1 | 1.66 | 20 | 20 | 1.8 | CAD | RFQ |
| SNPXS-M4-20 | M4 | 0.7 | 20 | 8 | 3.1 | 1.66 | 20 | 20 | 2.1 | CAD | RFQ |
| SNPXS-M4-25 | M4 | 0.7 | 25 | 8 | 3.1 | 1.66 | 20 | 20 | 2.5 | CAD | RFQ |
Nabeya Bi-tech Kaisha
Customer Service
Please enter questions about customization and other product-related inquiries here.
Find the inquiry form here●When purchasing less volume than one full bag, a separate handling fee is charged. For details, see the Sold Separately Service.
Related Services
Material/Finish
| SNPXS | |
|---|---|
| Material | SUSXM7 (Equivalent to SUS304) |
| Strength Class | A2-50 |
Application
Prevention of damage to screw heads and reliable tighteningCharacteristics
- Hexalobular socket shapes*1 are designed to withstand high tightening torque compared to cross-recesses. ⇒Features of the Hexalobular Socket
- Hexalobular recess is unlikely to be damaged due to tightening, allowing safe and secure tightening to be performed.
- Conforms to ISO 14583.
*1: The hexalobular shape is prescribed by JIS B 1015: 2008(ISO 10664: 2005)"Hexalobular internal driving feature for bolts and screws".










