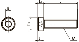
Specs/CAD
Unit : mm
| Part Number | M (Coarse) Nominal of Thread |
Pitch | L | D1 | B | t | L1 | Max. Torque (N・m) |
Qty per Pack | Mass (g) |
CAD Download |
RFQ |
|---|---|---|---|---|---|---|---|---|---|---|---|---|
| SLHL-M6-10 | M6 | 1 | 10 | 10 | 4 | 3 | 4 | 11 | 10 | 3.5 | CAD | RFQ |
| SLHL-M6-12 | M6 | 1 | 12 | 10 | 4 | 3 | 4 | 11 | 10 | 3.8 | CAD | RFQ |
| SLHL-M6-16 | M6 | 1 | 16 | 10 | 4 | 3 | 4 | 11 | 10 | 4.5 | CAD | RFQ |
| SLHL-M6-20 | M6 | 1 | 20 | 10 | 4 | 3 | 4 | 11 | 10 | 5.3 | CAD | RFQ |
Nabeya Bi-tech Kaisha
Customer Service
Please enter questions about customization and other product-related inquiries here.
Find the inquiry form hereRelated Services
Material/Finish
| SLHL | |
|---|---|
| Main Body | SUS316L |
| Strength Class | A4-70 |
Do not exceed the max. tightening torque.
Application
Reducing the size of equipment and devicesFPD production equipment/Semiconductor devices/
Aquatic applications/General industrial machines
Characteristics
- Socket head cap screws with low profile made of SUS316L.
- Intended for reducing the size of devices and applications with limited overhead space.
- Compared to SUS304, SUS316L has excellent hydrogen embrittlement resistance, fluorine and chlorine gas resistance, and heat resistance. This screw also has corrosion resistance against chemical products and seawater environments that matches or exceeds SUS304.
- SUS316L is non-magnetic.
- Conforms to DIN 7984.
- To distinguish fromSLHS, following processing are made.







