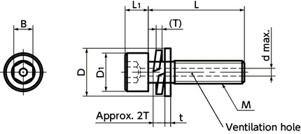
Unit : mm
| Part Number | M (Coarse) Nominal of Thread |
Pitch | L | D1 | D | t | T (Approx.) |
L1 | B | d Max. |
Qty per Pack | Mass (g) |
CAD Download |
RFQ |
|---|---|---|---|---|---|---|---|---|---|---|---|---|---|---|
| SVSQLG-M4-10 | M4 | 0.7 | 10 | 7 | 8 | 0.8 | 1.0 | 4 | 3 | 1.5 | 10 | 1.6 | CAD | RFQ |
Nabeya Bi-tech Kaisha
Customer Service
Please enter questions about customization and other product-related inquiries here.
Find the inquiry form here● When purchasing less volume than one full bag, a separate handling fee is charged. For details, see the Sold Separately Service.
Related Services
Material/Finish
| SVSQLG | |
|---|---|
| Main Body | SUS316L |
| Plain Washer | SUS316L (Hardness: 300 - 400 HV) |
| Spring Washer | SUS316L |
Application
Vacuum devices / Vacuum chambers / FPD production equipment / Semiconductor manufacturing equipment / Electron microscopesCharacteristics
- Washer integrated hex socket head cap screws high strength stainless steel SNSQLG ventilation hole type.
- Easier discharge of gas accumulated at the bottom of screw holes from the ventilation hole and gas accumulated in drill holes from the spring washer clearance, supporting vacuum drawing of vacuum devices.

- Bolt tensile strength is 1000 N/mm2, 0.2% proof load 800 N/mm2. A plain washer of hardness 300 HV or higher, suited to the bolt strength, is built in.
- The proof load is approximately 1.8 times that of general stainless steel hex socket head cap screws. Therefore, smaller screw diameters and reduced quantities are available to save space and reduce weight.
- Plain washers and spring washers are integrated into the screws, preventing concerns about fallout issues.
- Washer mounting work is not required. Cleanroom work in gloves is easier.
- Made of SUS316L. It has excellent corrosion resistance.
- Non-magnetic.
- Cleanroom wash/cleanroom packing provided. ⇒Cleanroom Wash / Cleanroom Packing Service
Mechanical Properties
| SUS316L | |
|---|---|
| Tensile Strength (N/mm2) | 1000 |
| 0.2% Proof Load (N/mm2) | 800 |
| Elongation (mm) | 0.3d |
Values in chart are for reference only. They are not guaranteed values.


