Specs/CAD
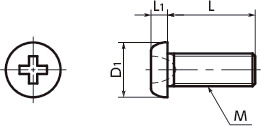
Unit : mm
| Part Number | M (Coarse) Nominal of Thread |
Pitch | L | D1 | L1 | Cross-recessed Socket No. | Max. Tightening Torque (N・m) |
Qty per Pack | Mass (g) |
CAD Download |
RFQ |
|---|---|---|---|---|---|---|---|---|---|---|---|
| SNZ2S-M2-2 | M2 | 0.4 | 2 | 3.5 | 0.6 | 0 | 0.22 | 50 | 0.07 | CAD | RFQ |
| SNZ2S-M2-2.5 | M2 | 0.4 | 2.5 | 3.5 | 0.6 | 0 | 0.22 | 50 | 0.08 | CAD | RFQ |
| SNZ2S-M2-3 | M2 | 0.4 | 3 | 3.5 | 0.6 | 0 | 0.22 | 50 | 0.09 | CAD | RFQ |
| SNZ2S-M2-3.5 | M2 | 0.4 | 3.5 | 3.5 | 0.6 | 0 | 0.22 | 50 | 0.1 | CAD | RFQ |
| SNZ2S-M2-4 | M2 | 0.4 | 4 | 3.5 | 0.6 | 0 | 0.22 | 50 | 0.1 | CAD | RFQ |
| SNZ2S-M2-5 | M2 | 0.4 | 5 | 3.5 | 0.6 | 0 | 0.22 | 50 | 0.12 | CAD | RFQ |
| SNZ2S-M2-6 | M2 | 0.4 | 6 | 3.5 | 0.6 | 0 | 0.22 | 50 | 0.14 | CAD | RFQ |
| SNZ2S-M2-8 | M2 | 0.4 | 8 | 3.5 | 0.6 | 0 | 0.22 | 50 | 0.17 | CAD | RFQ |
| SNZ2S-M2-10 | M2 | 0.4 | 10 | 3.5 | 0.6 | 0 | 0.22 | 50 | 0.21 | CAD | RFQ |
| SNZ2S-M2-12 | M2 | 0.4 | 12 | 3.5 | 0.6 | 0 | 0.22 | 50 | 0.21 | CAD | RFQ |
Nabeya Bi-tech Kaisha
Customer Service
Please enter questions about customization and other product-related inquiries here.
Find the inquiry form here● When purchasing less volume than one full bag, a separate handling fee is charged. For details, see the Sold Separately Service.
Related Services
Material/Finish
| SNZ2S | |
|---|---|
| Main Body | Stainless Steel |
Application
For making devices and equipment more compactCompact precision equipment
Characteristics
- Miniature screws for precision instruments (No. 0 Class 2).
- M1.4 - M2.
- Pan head machine screw type with low head height. For applications with limited overhead space.






