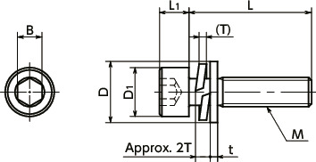
Unit : mm
| Part Number | M (Coarse) Nominal of Thread |
Pitch | L | D1 | D | L1 | B | t | T (Approx.) | Mass (g) |
CAD Download |
RFQ |
|---|---|---|---|---|---|---|---|---|---|---|---|---|
| SNSI3T-M4-10 | M4 | 0.7 | 10 | 7 | 9 | 4 | 3 | 0.8 | 1 | 1.3 | CAD | RFQ |
● Batch cleanroom packing is provided for orders containing multiple items of the same size.
Nabeya Bi-tech Kaisha
Customer Service
Please enter questions about customization and other product-related inquiries here.
Find the inquiry form hereRelated Services
Material/Finish
| SNSI3T | |
|---|---|
| Screw Body | TW340 (Grade 2 Titanium) |
| Plain Washer*1 | TP340 (Grade 2 Titanium) |
| Spring Washer | TW340 (Grade 2 Titanium) |
*1: The material of SNSI3T-M3 is TP270 (grade 1 titanium).
Application
Lighter-weight automobiles, aircrafts/aerospace equipment, robots, etc.FPD production equipment / Semiconductor manufacturing equipment / Electrical and electronic equipment / Offshore instruments / Plating facilities / General industrial equipment
Characteristics
- Titanium hex socket head cap screws with captive washers.
- Plain washers and spring washers are integrated into the screws, preventing concerns about fallout issues. (Washer abbreviation: I=3)
- When using a washer in spot facing, workability is improved because the bolt and washer can be mounted and removed at the same time.
- The specific gravity is approximately 60% that of stainless steel.
- Non-magnetic.
- Excellent chemical resistance / seawater resistance.
- Special chemical polishing and brightening treatment improve the quality of the surface. Additionally, products have been cleanroom washed and packed. Cleanroom specification prevents oil and dirt from adhering.⇒Cleanroom Wash / Cleanroom Packing Service

Mechanical Properties
| TW270 (Grade 1 Titanium) | TW340 (Grade 2 Titanium) | |
|---|---|---|
| Tensile Strength (N/mm2) | 270-410 | 340-510 |
| 0.2% Proof Load (N/mm2) | 165 or More | 215 or More |
| Elongation (%) | 27 or More | 23 or More |
Values in chart are for reference only. They are not guaranteed values.
Physical Properties
| TW270 (Grade 1 Titanium) TW340 (Grade 2 Titanium) |
|
|---|---|
| Specific Gravity | 4.51 |
| Melting Point (°C) | 1668 |
| Longitudinal Elastic Modulus (GPa) | 106 |
| Thermal Conductivity (W/(m・K)) | 17.16 |
| Linear Expansion Coefficient (K-1) | 8.4 × 10-6 |
| Electric Resistance (µΩ・m) | 0.55 |
| Magnetic Permeability (µ) | 1.0001 (Nonmagnetic) |
Values in chart are for reference only. They are not guaranteed values.



/14306_1.jpg?awscf_publishdate=2026-02-04 16:40)


