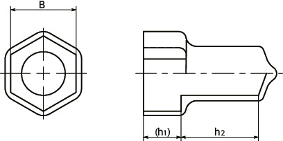
Unit : mm
| Part Number | Nominal of Applicable Screw and Hex Nut*1 (Applicable Width Across Flat) |
B*1 | h1 | h2 | Qty per Pack | Mass (g) |
CAD Download |
RFQ | |
|---|---|---|---|---|---|---|---|---|---|
| Nominal | Applicable Width Across Flat | ||||||||
| SCBN-20 | M20 | 30 | 30 | 18 | 25 | 10 | 9.1 | CAD | RFQ |
*1: Be sure to check the width across flat dimension of the hex nuts in use. This product conforms to the JIS standard series (JIS B 1002 Appendix 2).
As the product is molded, its dimensions may vary.
● When purchasing less volume than one full bag, a separate handling fee is charged. For details, see the Sold Separately Service.
Related Services
Material/Finish
| SCBN | |
|---|---|
| Main Body | PVC (Polyvinyl Chloride) (Gray) |
Application
Screw tip/hex nut protection / Dust countermeasureCharacteristics
- Covering screw tips and hex nuts, they enhance device and equipment safety.
- Also suitable as a dust countermeasure for screws and hex nut fastening parts.
Usage Example







