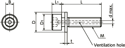
Unit : mm
| Part Number | M (Coarse) Nominal of Thread |
Pitch | L | D1 | D | L1 | B | t | d max. | Qty per Pack | Mass (g) |
CAD Download |
RFQ |
|---|---|---|---|---|---|---|---|---|---|---|---|---|---|
| SVSI1S-M6-45-PC | M6 | 1 | 45 | 10 | 12.5 | 6 | 5 | 1.5 | 2 | 10 | 13 | CAD | RFQ |
Nabeya Bi-tech Kaisha
Customer Service
Please enter questions about customization and other product-related inquiries here.
Find the inquiry form here● When purchasing less volume than one full bag, a separate handling fee is charged. For details, see the Sold Separately Service.
Related Services
Material/Finish
| SVSI1S-PC | |
|---|---|
| Screw Body | SUSXM7 (Equivalent to SUS304) Special Chemical Polish |
| Screw Body Strength Class | A2 - 70 |
| Plain Washer | SUS304 Special Chemical Polish |
Application
Semiconductor manufacturing equipment / Equipment and device structures / Offshore instruments / General industrial machinesCharacteristics
- The ventilation hole easily releases gas trapped in the screw holes of equipment and machines, and supports vacuum drawing of vacuum devices.
- Ventilation holes are machined using a method with minimal effect on metallic structures. Brittle fracture and outgassing during use in vacuum environments are prevented.
- Special chemical polishing treatment improves the surface roughness. Outgas quantity is extremely low. Ideal for use in medium vacuum environments.
- Plain washers are integrated into the screws, preventing concerns about fallout issues. (Washer abbreviation: I=1)
- When using a washer in spot facing, workability is improved because the bolt and washer can be mounted and removed at the same time.
- Washer mounting work is not required. Cleanroom work in gloves is easier.
- Cleanroom wash/cleanroom packing provided.⇒Cleanroom Wash / Cleanroom Packing Service


