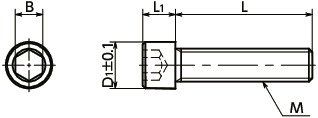
Specs/CAD
Unit : mm
| Part Number | M (Coarse) Nominal of Thread |
Pitch | L | D1 | L1 | B | Mass (g) |
CAD Download |
RFQ |
|---|---|---|---|---|---|---|---|---|---|
| SNSS-M4-6-SD-FC | M4 | 0.7 | 6 | 5.5 | 4 | 3 | 1.1 | CAD | RFQ |
| SNSS-M4-8-SD-FC | M4 | 0.7 | 8 | 5.5 | 4 | 3 | 1.3 | CAD | RFQ |
| SNSS-M4-10-SD-FC | M4 | 0.7 | 10 | 5.5 | 4 | 3 | 1.4 | CAD | RFQ |
| SNSS-M4-12-SD-FC | M4 | 0.7 | 12 | 5.5 | 4 | 3 | 1.6 | CAD | RFQ |
| SNSS-M4-16-SD-FC | M4 | 0.7 | 16 | 5.5 | 4 | 3 | 1.9 | CAD | RFQ |
| SNSS-M4-20-SD-FC | M4 | 0.7 | 20 | 5.5 | 4 | 3 | 2.2 | CAD | RFQ |
| SNSS-M4-25-SD-FC | M4 | 0.7 | 25 | 5.5 | 4 | 3 | 2.6 | CAD | RFQ |
Nabeya Bi-tech Kaisha
Customer Service
Please enter questions about customization and other product-related inquiries here.
Find the inquiry form hereMaterial/Finish
| SNSS-SD-FC | |
|---|---|
| Main Body | SUSXM7 (Equivalent to SUS304) Fluorine Coating |
| Strength Class | A2 - 70 |
Application
Reducing the size of equipment and devicesSeizing Prevention
Characteristics
- Hex socket head cap screws with small head diameter. Able to reduce the spot facing diameters compared to standard hex socket head cap screws.
- Highly cost-effective coating.
- Excellent lubrication property. Suitable for preventing seizing.
Usage Example
It is possible to perform spot facing and hide the head in locations where spot facing is not possible with standard hex socket head cap screws.
Precautions for Use
- Since the head bearing surface area is small, the bearing surface pressure increases.
- Using the following formula as a reference, ensure that the bearing surface pressure due to screw tightening does not exceed the permitted surface pressure of the intended fastening material.

Head Diameter and Screw Effective Cross-Sectional Area
| Part Number | Head Diameter (mm) |
Screw Effective Cross-Sectional Area (mm2) |
|---|---|---|
| SNSS-M3-SD-FC | 4.5 | 5.03 |
| SNSS-M4-SD-FC | 5.5 | 8.78 |
| SNSS-M5-SD-FC | 7 | 14.2 |
| SNSS-M6-SD-FC | 8.5 | 20.1 |
| SNSS-M8-SD-FC | 11 | 36.6 |
| SNSS-M10-SD-FC | 13.5 | 58 |
Tightening Property (Reference)

Reference data for Hex Socket Head Cap Screw - Fluorine Coating SNSS-M5-25-FC.⇒The Features of Screws with Special Surface Treatment






