Hints for Correctly Using NBK Products
The video is an example using SSC (SSC). You can perform the same operation using this product.
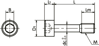
Specs/CAD
Unit : mm
| Part Number | M (Coarse) Nominal of Thread |
Pitch | L | Lm | D1 | L1 | B | dc | Mass (g) |
CAD Download |
RFQ |
|---|---|---|---|---|---|---|---|---|---|---|---|
| SSC-M3-8-TF | M3 | 0.5 | 8 | 4 | 5.5 | 3 | 2.5 | 2.2 | 0.8 | CAD | RFQ |
| SSC-M3-10-TF | M3 | 0.5 | 10 | 4 | 5.5 | 3 | 2.5 | 2.2 | 0.88 | CAD | RFQ |
| SSC-M3-12-TF | M3 | 0.5 | 12 | 4 | 5.5 | 3 | 2.5 | 2.2 | 0.96 | CAD | RFQ |
| SSC-M3-16-TF | M3 | 0.5 | 16 | 4 | 5.5 | 3 | 2.5 | 2.2 | 1.2 | CAD | RFQ |
Nabeya Bi-tech Kaisha
Customer Service
Please enter questions about customization and other product-related inquiries here.
Find the inquiry form hereRelated Services
Material/Finish
| SSC-TF | |
|---|---|
| Main Body | SUSXM7 (Equivalent to SUS304) PTFE (Tetrafluoroethylene) Coating |
| Strength Class | A2 - 70 |
Application
For fixing protective covers and maintenance coversCE Marking compatible
Machine tools / Food machinery / Electrical and electronic equipment
Characteristics
- Prevents fall-off and loss of the screw. They are intended to fix protective and inspection covers that are frequently installed and removed.
- For CE Marking compatibility. ⇒Use the NBK Captive Screw Series to be comply with CE
- Excellent chemical resistance.
- Excellent lubrication property. Suitable for preventing seizing.
Precautions for Use
- Screw hole inner diameter on the cover side shall be at least the dc dimension.
- The cover thickness should be 0.8mm or above.
Tightening Property (Reference)

Reference data for Hex Socket Head Cap Screw - PTFE Coating SNSS-M5-25-TF.⇒The Features of Screws with Special Surface Treatment
Installation Example
Make a screw hole in the cover, and then pass the SSC-TF thread part through it. Even when the screw is removed from the frame, SSC-TF does not fall out of the cover because the SSC-TF thread part catches on the cover screw hole.






