• Special Screws
  • Screws with Special Surface Treatment

SVSS-M6-30-AG

Socket Head Cap Screws with Ventilation Hole - Silver Plating

  • Vacuum
  • Cleanroom Specification
  • Seizing & Sticking Prevention
  • Electric conducting

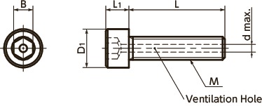
Dimension Drawing

SVSS-AGHex Socket Head Cap Screws with Ventilation Hole - Silver Plating寸法図

Unit : mm

Part Number M (Coarse)
Nominal of Thread
Pitch L D1 L1 B d Mass
(g)
CAD
Download
RFQ
SVSS-M6-30-AG M6 1 30 10 6 5 2 8.3 CAD RFQ

● Batch cleanroom packing is provided for orders containing multiple items of the same size.

No products fulfill the conditions above.

We regret to inform you that no products fulfill the conditions you have entered.
Please change the values you have entered and search once again.

Nabeya Bi-tech Kaisha offers customized products in accordance with your needs.
Please feel free to contact us via the inquiry form.

Nabeya Bi-tech Kaisha
Customer Service

Please enter questions about customization and other product-related inquiries here.

Find the inquiry form here

Material/Finish

SVSS-AG
Main Body SUSXM7(S.S. grade:A2)
Silver Plating
Strength Class A2-70

Application

Seizing Prevention
Vacuum devices, vacuum chambers, FPD production equipment,
semiconductor devices, and electron microscopes

Characteristics

  • The ventilation hole easily releases gas trapped in the screw holes of equipment and machines, and supports vacuum drawing of vacuum devices.
  • Silver plating. Excellent lubrication and electroconductivity. For the prevention of screw seizing and use in conductive sections of electronic parts.
  • Electric Resistance
    Silver: 1.6μΩ・cm(Gold: 2.3μΩ・cm)

*This is the performance of the silver material.


Usage Example

Gas trapped at the bottom of a screw hole is released through SVSS-AG, and gas trapped in a drilled hole is released through SWAS-VF

SWAS-VFSWAS-VF-PC).

SVSS-AGHex Socket Head Cap Screws with Ventilation Hole - Silver Plating


Product List

Click here to see SVSS-M6-AG

Click here to see SVSS-AG