Specs/CAD
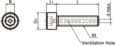
Unit : mm
| Part Number | M (Coarse) Nominal of Thread |
Pitch | L | D1 | L1 | B | d max. |
Qty per Pack | Mass (g) |
CAD Download |
RFQ |
|---|---|---|---|---|---|---|---|---|---|---|---|
| SVSL-M4-5 | M4 | 0.7 | 5 | 7 | 4 | 3 | 1.5 | 20 | 1.4 | CAD | RFQ |
| SVSL-M4-6 | M4 | 0.7 | 6 | 7 | 4 | 3 | 1.5 | 20 | 1.5 | CAD | RFQ |
| SVSL-M4-8 | M4 | 0.7 | 8 | 7 | 4 | 3 | 1.5 | 20 | 1.7 | CAD | RFQ |
| SVSL-M4-10 | M4 | 0.7 | 10 | 7 | 4 | 3 | 1.5 | 20 | 1.8 | CAD | RFQ |
| SVSL-M4-12 | M4 | 0.7 | 12 | 7 | 4 | 3 | 1.5 | 20 | 2 | CAD | RFQ |
| SVSL-M4-16 | M4 | 0.7 | 16 | 7 | 4 | 3 | 1.5 | 20 | 2.3 | CAD | RFQ |
| SVSL-M4-20 | M4 | 0.7 | 20 | 7 | 4 | 3 | 1.5 | 20 | 2.7 | CAD | RFQ |
| SVSL-M4-25 | M4 | 0.7 | 25 | 7 | 4 | 3 | 1.5 | 20 | 3.2 | CAD | RFQ |
Nabeya Bi-tech Kaisha
Customer Service
Please enter questions about customization and other product-related inquiries here.
Find the inquiry form here●When purchasing less volume than one full bag, a separate handling fee is charged. For details, see the Sold Separately Service.
Related Services
Material/Finish
| SVSL | |
|---|---|
| Main Body | SUS316L |
| Strength Class | A4-70 |
Application
Vacuum devices, vacuum chambers, FPD production equipment,semiconductor devices, and electron microscopes
Characteristics
- Made of SUS316L. Excellent corrosion resistance.
- The ventilation hole easily releases gas trapped in the screw holes of equipment and machines, and supports vacuum drawing of vacuum devices.
- Cleanroom wash and cleanroom packing are completed.⇒Cleanroom Wash / Cleanroom Packing Service
Usage Example
Gas trapped at the bottom of a screw hole is released through SVSL, and gas trapped in a drilled hole is released through SWAS-VF







