
Specs/CAD
| Part Number | Max. Bore Diameter (mm) |
Keyway Additional Modification Max. Bore Diameter (mm) |
Rated Torque*1 (N・m) | |||||||
|---|---|---|---|---|---|---|---|---|---|---|
| XGS-15 | 6 | - | 0.5 | 42000 | 2.2×10-7 | 25 | 0.15 | 1.5 | ±0.2 | 7 |
| XGS-19 | 8 | 6 | 0.8 | 33000 | 6.3×10-7 | 63 | 0.15 | 1.5 | ±0.2 | 12 |
| XGS-25 | 12 | 9 | 2.3 | 25000 | 2.4×10-6 | 100 | 0.15 | 1.5 | ±0.2 | 26 |
| XGS-27 | 14 | 10 | 2.3 | 23000 | 3.2×10-6 | 120 | 0.15 | 1.5 | ±0.2 | 29 |
| XGS-30 | 15 | 11 | 3.3 | 21000 | 5.6×10-6 | 160 | 0.2 | 1.5 | ±0.3 | 41 |
| XGS-34 | 16 | 12 | 5.5 | 18000 | 1.1×10-5 | 350 | 0.2 | 1.5 | ±0.3 | 62 |
| XGS-39 | 20 | 15 | 7 | 16000 | 2.2×10-5 | 440 | 0.2 | 1.5 | ±0.3 | 91 |
*1: Correction of rated torque due to load fluctuation is not required. If ambient temperature exceeds 30°C, be sure to correct the rated torque with temperature correction factor shown in the following table.
The allowable operating temperature of XGS is -20°C to 80°C.
※ The shaft's slip torque may be smaller than the coupling's rated torque depending on the shaft bore. ⇒Slip torque
*2: These are values with max. bore diameter.| Part Number | Standard Bore Diameter (Dimensional Allowance H8) D1・D2 |
||||
|---|---|---|---|---|---|
| XGS-15 | 3-5 | 3-6 | 4-4 | 4-5 | 4-6 |
| 4.5-5 | 5-5 | 5-6 | 6-6 | ||
| XGS-19 | 4-5 | 5-5 | 5-6 | 5-7 | 5-8 |
| 6-6 | 6-6.35 | 6-7 | 6-8 | 6.35-8 | |
| 8-8 | |||||
| XGS-25 | 5-6 | 5-8 | 6-6 | 6-8 | 6-10 |
| 6-11 | 6-12 | 6.35-8 | 6.35-10 | 8-8 | |
| 8-10 | 8-11 | 8-12 | 10-10 | 10-12 | |
| 12-12 | |||||
| XGS-27 | 5-6 | 5-8 | 5-14 | 6-6 | 6-8 |
| 6-10 | 6-11 | 6-12 | 6-14 | 8-8 | |
| 8-10 | 8-11 | 8-12 | 8-14 | 10-10 | |
| 10-12 | 10-14 | 12-12 | 12-14 | 14-14 | |
| XGS-30 | 8-8 | 8-10 | 8-11 | 8-12 | 8-14 |
| 8-15 | 10-10 | 10-11 | 10-12 | 10-14 | |
| 10-15 | 11-12 | 12-12 | 12-14 | 12-15 | |
| 14-14 | 14-15 | 15-15 | |||
| XGS-34 | 8-8 | 8-10 | 8-11 | 8-12 | 8-14 |
| 8-15 | 10-10 | 10-11 | 10-12 | 10-14 | |
| 10-15 | 11-11 | 11-12 | 12-12 | 12-14 | |
| 12-15 | 14-14 | 14-15 | 15-15 | 16-16 | |
| XGS-39 | 10-10 | 10-12 | 10-14 | 10-15 | 10-16 |
| 12-12 | 12-14 | 12-15 | 12-16 | 12-19 | |
| 12-20 | 14-14 | 14-15 | 14-16 | 15-15 | |
| 15-16 | 15-19 | 16-16 | 17-17 | 20-20 | |
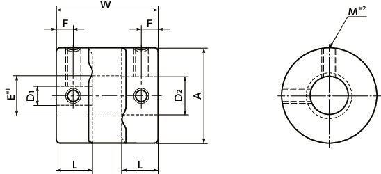
●All products are provided with hex socket set screws.
● Recommended tolerance for shaft diameters is h6 and h7.
● For the shaft insertion amount to the coupling, see Mounting/maintenance. ⇒Mounting and Maintenance
Ambient Temperature / Temperature Correction Factor
| Ambient Temperature | Temperature Correction Factor |
|---|---|
| -20℃ to 30℃ | 1.00 |
| 30℃ to 40℃ | 0.80 |
| 40℃ to 60℃ | 0.70 |
| 60℃ to 80℃ | 0.55 |
Slip torque
For slip torque, see Aluminum Alloy Coupling under "Slip Torque of Coupling - Set Screw Type" for details.Structure
Set Screw Type
XGT Standard typeXGTXGS Short typeXGS

Single Clamping Type
XGT-CS Standard typeXGT-CSXGS-CS Short typeXGS-CS

Double Clamping Type
XGT-C Standard typeXGT-CXGL-C Long typeXGL-C
XGS-C Short typeXGS-C

XGT-C XGL-C XGS-C Split Type
Easy to mount and remove screws.
Internal Structure


Material/Finish
| XGT/XGL/XGS | |
|---|---|
| Hub | A2017 |
| High-Gain Rubber | HNBR |
| Hex Socket Head Cap Screw / Hex Socket Set Screw | SCM435 Ferrosoferric Oxide Film (Black) |
Characteristics
- Applicable motors
| XGT/XGL/XGS | |
|---|---|
| Servomotor | ◎ |
| Stepping Motor | ◎ |
| General-purpose Motor | ● |
- Property
| XGT/XGL/XGS | |
|---|---|
| Zero Backlash | ◎ |
| For Servomotor High Gain | ◎ |
| High Torque | ◎ |
| High Torsional Stiffness | ○ |
| Allowable Misalignment | ○ |
| Vibration Absorption Characteristics | ◎ |
| Allowable Operating Temperature | -20℃ to 80℃ |
- A completely integrated flexible coupling that connects hubs on both sides with high-gain rubber.
- It is suitable for control motors with high responsiveness, enabling high-accuracy positioning and shortened stabilization time.
- About reduction of stabilization time XGT2XGL2
Application
Actuator / Surface-mount machine / High precision XY stage / Index tableSelection
Selection Based on Shaft Diameter and Rated Torque
The area bounded by the shaft diameter and rated torque indicates the selection size.


Selection Example
In case of selected parameters of shaft diameter of φ19 and load torque of 7 N•m, the selected size is XGT-39C.Selection Based on the Rated Output of the Servomotor
| Rated Output (W) |
Servomotor Specifications*1 | Selection Size | ||||
|---|---|---|---|---|---|---|
| Diameter of Motor Shaft (mm) |
Rated Torque (N・m) |
Instantaneous Max. Torque (N・m) |
XGT | XGL | XGS | |
| 10 | 5 - 6 | 0.032 | 0.096 | 15C | 15C | 15C |
| 20 | 5 - 6 | 0.064 | 0.19 | 15C | 15C | 15C |
| 30 | 5 - 7 | 0.096 | 0.29 | 19C | 19C | 19C |
| 50 | 6 - 8 | 0.16 | 0.48 | 19C | 19C | 19C |
| 100 | 8 | 0.32 | 0.95 | 19C | 19C | 25C |
| 200 | 9 - 14 | 0.64 | 1.9 | 27C | 30C | 27C |
| 400 | 14 | 1.3 | 3.8 | 27C | 30C | 34C |
| 750 | 16 - 19 | 2.4 | 7.2 | 39C | 39C | - |
*1: Motor specifications are based on general values. For details, see the motor manufacturer's catalogs. This is the size for cases where devices such as reduction gears are not used.
Eccentric Reaction Force




Thrust reaction force




Change in static torsional stiffness due to temperature
This is a value under the condition where the static torsional stiffness at 20°C is 100%.Changes in the static torsion spring constant within the operating temperature are shown in the graph.
Before using the unit, be aware of the deterioration of responsiveness.









