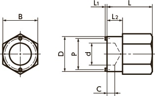
Unit : mm
| Part Number | Withstand Load (N) | M (Coarse) Nominal of Thread |
Pitch | L | L1 | s | D1 | Db | P | Applicable Wrench | Mass (g) |
Price (USD) |
CAD Download |
Add to Cart |
|---|---|---|---|---|---|---|---|---|---|---|---|---|---|---|
| BRUCS-10-N | 34 | M10 | 1.5 | 12 | 10 | 2.5 | 18.5 | 8.73 | 15.4 | BRW-10 | 24 | 26.63 | CAD | Cart |
Nabeya Bi-tech Kaisha
Customer Service
Please enter questions about customization and other product-related inquiries here.
Find the inquiry form hereCharacteristics
- These are cap screw type ball rollers with stainless steel bodies for upward applications.
- Install and remove by using BRW Specialty Wrench.
- Because a wrench spacer is not required, they can be attached in proximity.
Material/Finish
| BRUCS-N | |
|---|---|
| Main Body | SUS304 |
| Main Ball | Polyacetal/White |
| Sub Ball | SUS440C (Hardness 55HRC or Higher) |
| Spacer | SUS304 |
Application
FPD production equipment, semiconductor devices, food production lines, and packaging linesPrecautions for Use
These ball rollers are for upward applications only. If it is used for downward and sideward applications, the product may be damaged or the ball may malfunction.Dedicated Wrench







