Unit : mm
| Part Number | M (Coarse) Nominal of Thread |
Pitch | L | s | Db | B | t | Withstand Load (N) | Mass (g) |
Price (USD) |
CAD Download |
Add to Cart |
|---|---|---|---|---|---|---|---|---|---|---|---|---|
| BRUSS-16-P | M16 | 2 | 25 | 2.7 | 9.53 | 8 | 10 | 25 | 18 | 45.52 | CAD | Cart |
Nabeya Bi-tech Kaisha
Customer Service
Please enter questions about customization and other product-related inquiries here.
Find the inquiry form hereCharacteristics
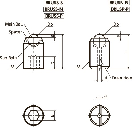
- Set screw type ball rollers for upward applications.
- We offer a full lineup of this type of ball roller. You can select from the following main body and main ball combinations: stainless steel, polyacetal, and PEEK.
- BRUSS has a small coefficient of friction and can move workpiece with less force.Ball Rollers : Characteristics
- BRUSP-P is intended for applications that require cleanliness, heat resistance, or chemical resistance, such as FPD production equipment and semiconductor devices.
- BRUSN-N and BRUSP-P have drain holes and are intended for food production lines and other applications that require cleaning.
Material/Finish
| BRUSS-P | |
|---|---|
| Main Body | SUSXM7 (Equivalent to SUS304) |
| Main Ball | PEEK/Light Brown |
| Sub-ball | SUS440C(Hardness 55HRC or Higher) |
Application
FPD production equipment, semiconductor devices, food production lines, and packaging linesPrecautions for Use
- BRUSS is for upward applications only. If it is used for downward and sideward applications, the product may be damaged or the ball may malfunction.
- BRUSN-N and BRUSP-P can be used in upward, downward, and sideward applications.






