Specs/CAD
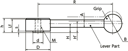
Unit : mm
| Part Number | M (Coarse) Nominal of Thread |
Pitch | Lf | R | H | H' | h | s | A | B | D | d | Tooth No. | Max. load*1 (N) |
Max. tightening force*1 (kN) |
Mass (g) |
Price (USD) |
CAD Download |
Add to Cart |
|---|---|---|---|---|---|---|---|---|---|---|---|---|---|---|---|---|---|---|---|
| LFF-8 | M8 | 1.25 | 18 | 100 | 12 | 16 | 19 | 2 | 10 | 25 | 33 | 13 | 22 | 120 | 10 | 160 | 44.58 | CAD | Cart |
| LFF-10 | M10 | 1.5 | 21 | 130 | 13.5 | 17.5 | 22 | 2 | 12 | 30 | 41 | 19 | 26 | 180 | 16 | 300 | 54.84 | CAD | Cart |
| LFF-12 | M12 | 1.75 | 21 | 130 | 13.5 | 17.5 | 22 | 2 | 12 | 30 | 41 | 19 | 26 | 300 | 23 | 300 | 54.47 | CAD | Cart |
| LFF-16 | M16 | 2 | 27 | 150 | 17 | 22 | 28 | 2 | 14 | 35 | 45 | 23 | 36 | 660 | 43 | 450 | 63.80 | CAD | Cart |
*1: For the definitions of maximum load and maximum clamping force, see "Using the Clamp Lever / Tension Lever."⇒Using the Clamp Lever / Tension Lever
Nabeya Bi-tech Kaisha
Customer Service
Please enter questions about customization and other product-related inquiries here.
Find the inquiry form hereMaterial/Finish
| LFF | |
|---|---|
| Lever Part | S45C Ferrosoferric Oxide Film (Black) |
| Thread Part | S45C Ferrosoferric Oxide Film (Black) |
| Grip | Phenol Resin (Black) |
Characteristics
- A flat-shaped tension lever. For applications with narrow top or bottom space.
- Since the rotating radius is large, a large clamping force can be achieved by small force.
- The phase angle of the lever in regards to the screw can be freely adjusted.









