Specs/CAD
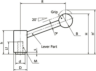
Unit : mm
| Part Number | M (Coarse) Nominal of Thread |
Pitch | Lf | R | H | H' | h | s | A | B | D | d | Tooth No. | Max. load (N) |
Max. tightening force (kN) |
Mass (g) |
Price (USD) |
CAD Download |
Add to Cart |
|---|---|---|---|---|---|---|---|---|---|---|---|---|---|---|---|---|---|---|---|
| LTF-10 | M10 | 1.5 | 23 | 81 | 72.5 | 78 | 42.5 | 2.5 | 10 | 25 | 24 | 17 | 24 | 280 | 16 | 170 | 46.22 | CAD | Cart |
| LTF-12 | M12 | 1.75 | 26 | 99 | 85.5 | 92 | 49.5 | 3.5 | 11 | 25 | 28 | 20 | 26 | 400 | 23 | 270 | 54.46 | CAD | Cart |
| LTF-16 | M16 | 2 | 30 | 118 | 98.5 | 106 | 55.5 | 3.5 | 12 | 30 | 33 | 24 | 36 | 830 | 43 | 405 | 65.97 | CAD | Cart |
| LTF-20 | M20 | 2.5 | 35 | 136 | 114.5 | 123 | 65.5 | 4.5 | 14 | 35 | 41 | 30 | 36 | 1400 | 67 | 705 | 78.49 | CAD | Cart |
Nabeya Bi-tech Kaisha
Customer Service
Please enter questions about customization and other product-related inquiries here.
Find the inquiry form hereMaterial/Finish
| LTF | |
|---|---|
| Lever Part | S45C Ferrosoferric Oxide Film (Black) |
| Thread Part | S45C Ferrosoferric Oxide Film (Black) |
| Grip | Phenol Resin (Black) |
Characteristics
- A strong type clamping lever.
-
Products of special specifications such as rotating radius of the lever can also be manufactured.
Please feel free to contact our customer service.









