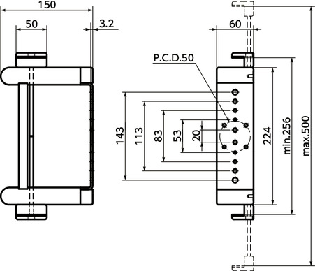
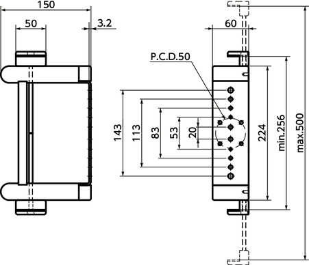
Specs/CAD
Unit : mm
Structure

Material/Finish
| DKB | |
|---|---|
| Keyboard Holder | ADC12 Electrostatic Coating |
| Clamp | ADC12 Electrostatic Coating |
| Clamping Screw | SWRCH Trivalent Chromate Treatment |
Characteristics
- The keyboard can be completely fixed to the counterpart.
- By tightening the clamping screw, the keyboard is securely fixed and prevent from falling.
- B5 size laptops and 500 mm wide keyboard can be loaded.
-
For counterpart, three types of Mounting System for Display are available.
For aluminum frame / For wall panel and sheet metal ----DKB
For aluminum frame end mounting ----DKB-AA
For round pipe ----DKB-PB -
Clamp screws of two sizes (Phillips cross recessed pan head machine screws) are supplied.
M6 x 40: Used when the keyboard width is 256 mm to 280 mm.
M6 x 140: Used when the keyboard width is 280 mm to 500 mm.
Application
Machine tool / Medical equipment / FPD production device / Semiconductor manufacturing device / Packing machine / Food machineryOption
- A mouse holder DKMP is available as an option.
- This may be mounted on either side.


| Part Number | Mass (g) |
|---|---|
| DKMP | 288 |
Material/Finish
| DKMP | |
|---|---|
| Mouse Holder | SPCC Electrostatic Coating |
| Mouse Holder Fixing Knob | Nylon 6 |
Specification Changes
Please be informed of the following specification changes to the DKB Series of our display mounting systems.See here for details https://www.nbk1560.com/news/2025/20251015_DKB/









