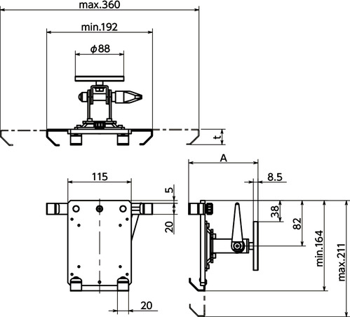
Specs/CAD
Unit : mm
| Part Number | Supports Tablet PCs*1 | A | t | Mass (g) |
Price |
CAD Download |
Add to Cart | ||
|---|---|---|---|---|---|---|---|---|---|
| Thickness min./max. |
Width min./max. |
Height min. | |||||||
| DTAS-13-330-MG-BK | 6/13 | 190/330 | 155 | 124 | 28 | 1250 | 375.28 | CAD | Cart |
| DTAS-20-330-MG-BK | 13/20 | 190/330 | 155 | 131 | 35 | 1260 | 375.28 | CAD | Cart |
*1: Some tablet PC models may not be mountable.We will lend sample models to confirm that your device can be mounted. Please contact our customer service.
Structure

Material/Finish
| DTAS-MG | ||
|---|---|---|
| Base | Aluminum Alloy Electrostatic Coating (Matte Black) |
|
| Side Arm Bottom Arm |
SPHC Electrostatic Coating (black) Nylon Coating (Tip Only) |
|
| Knob | Nylon 6 (Matte Black) | |
| Knob Thread Part | S45C Trivalent Chromate Treatment |
|
| Bottom Arm Fixing Bolt | SCM435 Ferrosoferric Oxide Film |
|
| Cushioning Seal | Polyurethane | |
| Plate | SPHC Electrostatic Coating (black) |
|
| Hinge | SPCC Electrostatic Coating (Matte Black) |
|
| Clamp Lever | Nylon 6 (Matte Black) | |
| Magnet | Magnet Part | Neodymium Nickel Plating |
| Rubber Jacket | TPE (Matte Black) | |
Characteristics
- A holder for mounting equipment and devices to tablet PCs.
- The magnets make it easy to install to and remove from devices / equipment, and the installation position of the tablet can be easily changed to suit the work environment. It is also effective as an anti-theft measure, as it can be removed when not in use.
- Robust design. It has excellent durability.
- The holder can be tilted by ±90° to the single axis direction.

- By tightening the clamp lever, securely retain the angle after adjustment.
- Tablet PCs between 9 and 12 inches*1 can be mounted by adjusting the side arm and bottom arm.
- Arm interference with the various tablet PC ports can be avoided by adjusting the side arm and bottom arm position.
-
Select the model number depending on the thickness of the tablet PC to be mounted.
Tablet PC Thickness
6-13 mm----DTAS-13-330-MG-BK
13-20 mm----DTAS-20-330-MG-BK - The nylon coating on the arm tip and the cushioning seal on the base prevent the tablet PC from being scratched.
*1: 9-inch and 10-inch tablet PCs can only be installed horizontally.
- The line of magnetic force for the permanent magnet can be controlled by covering the magnet with the metal holder, preventing diffusion of the line of magnetic force away from the adsorption surface. As there is almost no magnetic leakage, there is no effect on the tablet PC from anywhere other than the adsorption surface.

- The magnet is covered with a rubber jacket, creating a high friction resistance with the adhered object and preventing misalignment.
- The elasticity of the rubber jacket enables adsorption to even coarse surfaces such as casted items. Also, it prevents damage to the adhered object.
Captive Load

*1: Captive load is a test value with stable static load. With the magnet securely attached to the material surface of a 10 mm thick low carbon steel plate under room temperature, load was applied from above, and the load at which the magnet separated from the material surface was measured.
Tablet PC Mounting Method

How to use the new adjustable tablet PC holder for 9 to 12 inches
Height Adjustment Method

*1: The tablet PC may fall out of the holder if not tightened sufficiently.
Precautions for Use
- People that use medical electronic devices such as pacemakers should not use this product. The magnetic field may have detrimental effects on the devices.
-
Do not bring items such as those below near the adsorption surface. The product's magnetic field may cause detrimental effects.
・Electronic devices such as mobile phones, PCs, watches, etc.
・Magnetic recording media such as magnetic tape, floppy disks, credit cards, train tickets, etc. - When bringing the product close to the object to be adhered, injuries may occur due to fingers or skin being caught in between.
- When removing the product from the packaging or if this product is left set out, this product may attract other magnets or metals, or be attracted by them, causing items to forcefully go flying, and this may lead to injuries or damage.
- If the product is dropped, etc., and strong impact is exerted on the magnet, the magnet body may break or chip and its surface processing may peel. Also, work with care to prevent injuries from dropping the unit on feet, etc.
- The edges of the product may cause injury during installation or removal. Wear safety gear such as safety glasses and gloves, etc., when working. (Excluding manual operations, such as operating levers or knobs.)
- If the product is used in an environment in which the heat resistant temperature of the magnet (80℃) is exceeded, the magnetic force of the product will decrease. A decrease in the magnetic force may also occur if any breakage, chipping, etc. occurs.
- Do not use the product in environments that may adversely affect it.
- The adsorption force of the magnet may decrease depending on the operating environment or the condition of the item it is attached to. Be sure to read "Glossary(Glossary)", and "Installation and Maintenance (Installation and Maintenance)."
- Confirm that sufficient retention force is obtained before use.
- The captive load of the product is a test value with stable static load. Take care, as even if only slightly higher loads than the product's captive load are applied, impacts may cause items to fall.
- When removing the product, grip the rear side of the base and the hinge part. If the tablet PC or arm part are gripped when removing the product, this may result in deformation of the tablet PC or arm.
- Take care, as the color of the rubber jacket may transfer to the item to which the product is installed.









