Specs/CAD
Unit : mm
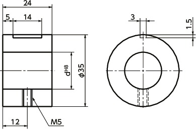
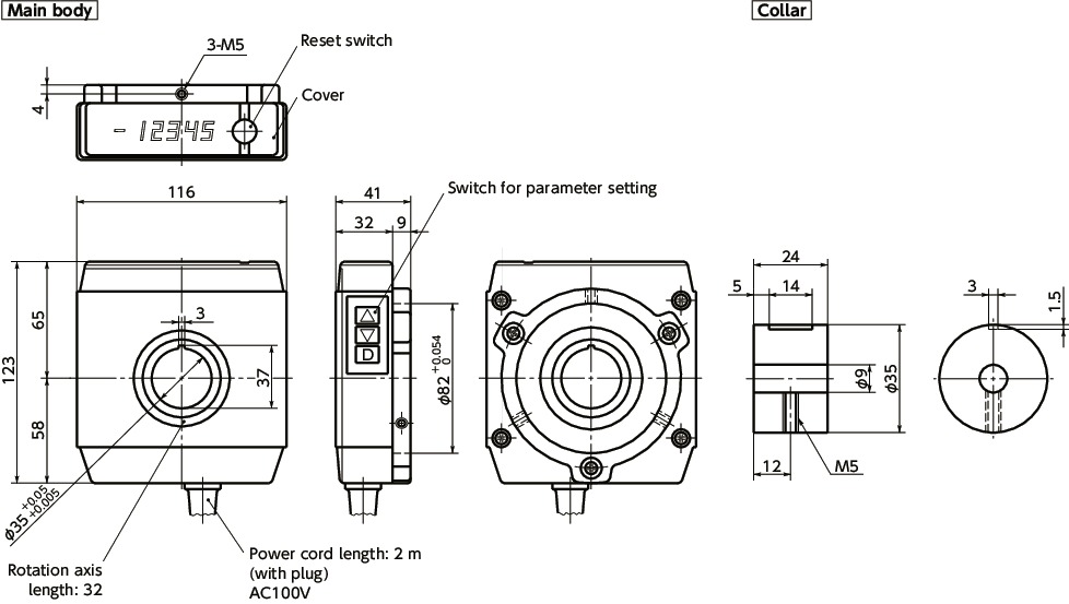
Collar (hex socket set screw with key) is provided.
Characteristics
- Measuring unit
Correct digital display of the feed rate is possible by just setting it to the feed rotation axis. - Preset function to set the current value to the home position is provided.
- The custom decimal point position can be set (range from 1 to 0.0001 mm).
-
It can be applied to any lead value by setting the parameter.
It can be converted to millimeter or inch. - A nonvolatile memory stores the count value / the parameter setting values for 10 years.
- 100 V AC (50 / 60 Hz) supported.
-
Dust-proof structure is provided, however, it is not protected from water / oil.
Front: IP62
Back: IP50 - Bore diameter of the attached collar is φ9 mm. Shaft hole processing can be performed upon the order. Please feel free to contact our customer service.
- Bore diameter collar whose shaft hole is already processed RNCL-R (optional) is available.
Performance
| Max. Number of Display Digits |
Six digits / Red seven segment LED |
| Range of Count | Length measurement: 999999 ~ -99999 Angle ±360.00° |
| Count Mode | Length measurement: Decimal, binary Angle in sexagesimal: 1 / 5 / 10 minute(s) Angle in decimal: 0.01 / 0.1 / 1° for reading |
| Position of Decimal Point | Custom setting by parameter |
| Lead Value | Custom setting by parameter |
| Memory | Nonvolatile memory, backup for 10 years |
| Max. Allowable Speed | 700 min-1 |
| Power Source | 100 V AC ± 10 % (50 / 60 Hz) |
| Power Code | With 2 m plug |
| Power Consumption | 2.2 W |
| Vibration-resistance | 49 m/s2 for 30 minutes |
| Shock-resistance | Durability 294 m/s2, three times each for X / Y and Z direction |
| Range of Allowable Operating Temperature |
0℃ to 45℃ |
| Range of Storage Temperature |
-20℃ to 80℃ |
Mounting
- Process the mounting base in accordance with the mounting-pilot section of the main body (φ820 to +0.054) (Recommended dimension: φ82f7).
-
Process the collar to match the shaft diameter.
Bore diameter collar RNCL-R (optional) is available. - After mounting the shaft to the collar, set-in the main body to the mounting base, and then secure it with fixing screws.

Usage Example

RNCL-R Bore Diameter Collar (Optional)

| RNCL-R | |
|---|---|
| Main body | S45C Ferrosoferric Oxide Film (Black) |






