Unit : mm
Material/Finish
| SVSI1S-PC | |
|---|---|
| Screw Body | SUSXM7 (Equivalent to SUS304) Special Chemical Polish |
| Screw Body Strength Class | A2 - 70 |
| Plain Washer | SUS304 Special Chemical Polish |
Application
Semiconductor manufacturing equipment / Equipment and device structures / Offshore instruments / General industrial machinesCharacteristics
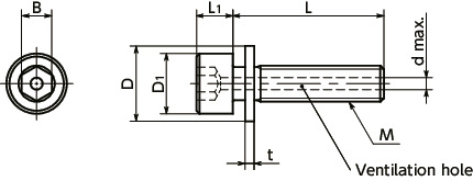
- The ventilation hole easily releases gas trapped in the screw holes of equipment and machines, and supports vacuum drawing of vacuum devices.
- Ventilation holes are machined using a method with minimal effect on metallic structures. Brittle fracture and outgassing during use in vacuum environments are prevented.
- Special chemical polishing treatment improves the surface roughness. Outgas quantity is extremely low. Ideal for use in medium vacuum environments.
- Plain washers are integrated into the screws, preventing concerns about fallout issues. (Washer abbreviation: I=1)
- When using a washer in spot facing, workability is improved because the bolt and washer can be mounted and removed at the same time.
- Washer mounting work is not required. Cleanroom work in gloves is easier.
- Cleanroom wash/cleanroom packing provided.⇒Cleanroom Wash / Cleanroom Packing Service


