Hints for Correctly Using NBK Products
The video is an example using SSC (SSC). You can perform the same operation using this product.
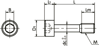
Specs/CAD
Unit : mm
| Part Number | M (Coarse) Nominal of Thread |
Pitch | L | Lm | D1 | L1 | B | dc | Mass (g) |
Price (USD) |
CAD Download |
QTY (Piece) |
|---|---|---|---|---|---|---|---|---|---|---|---|---|
| SSC-M8-16-RY | M8 | 1.25 | 16 | 10 | 13 | 8 | 6 | 6.3 | 12 | 12.95 | CAD | Cart |
| SSC-M8-20-RY | M8 | 1.25 | 20 | 10 | 13 | 8 | 6 | 6.3 | 13 | 12.95 | CAD | Cart |
| SSC-M8-25-RY | M8 | 1.25 | 25 | 10 | 13 | 8 | 6 | 6.3 | 15 | 12.95 | CAD | Cart |
| SSC-M8-30-RY | M8 | 1.25 | 30 | 10 | 13 | 8 | 6 | 6.3 | 17 | 12.95 | CAD | Cart |
| SSC-M8-35-RY | M8 | 1.25 | 35 | 10 | 13 | 8 | 6 | 6.3 | 19 | 12.95 | CAD | Cart |
| SSC-M8-40-RY | M8 | 1.25 | 40 | 10 | 13 | 8 | 6 | 6.3 | 21 | 12.95 | CAD | Cart |
Nabeya Bi-tech Kaisha
Customer Service
Please enter questions about customization and other product-related inquiries here.
Find the inquiry form hereRelated Services
Material/Finish
| SSC-RY | |
|---|---|
| Main Body | SUSXM7 (Equivalent to SUS304) Low Temperature Black Chrome Treatment |
| Strength Class | A2 - 70 |
Application
For fixing protective covers and maintenance coversCE Marking compatible
Machine tools / Food machinery / Electrical and electronic equipment
Characteristics
- Prevents fall-off and loss of the screw. They are intended to fix protective and inspection covers that are frequently installed and removed.
- For CE Marking compatibility. ⇒Use the NBK Captive Screw Series to be comply with CE
- Corrosion resistance, chemical resistance, and abrasion resistance are excellent.
- Low outgas quantity, usable in vacuum environments.
- Excellent lubrication property. Suitable for preventing seizing.
- Spectral reflectance 1.5% or below. For optical equipment and other applications requiring anti-reflection.⇒The Features of Screws with Special Surface Treatment
Precautions for Use
- Screw hole inner diameter on the cover side shall be at least the dc dimension.
- The cover thickness should be 0.8mm or above.
Tightening Property (Reference)

Reference data for Hex Socket Head Cap Screw - Low Temperature Black Chrome Treatment SNSS-M5-25-RY.⇒The Features of Screws with Special Surface Treatment
Installation Example
Make a screw hole in the cover, and then pass the SSC-RY thread part through it. Even when the screw is removed from the frame, SSC-RY does not fall out of the cover because the SSC-RY thread part catches on the cover screw hole.






