• Special Screws
  • Vented Screws / Vacuum Screws

SVSX-M5-12-88

Hex Socket Head Cap Screws with Ventilation Hole - High Intensity S.S.

  • Vacuum
  • Cleanroom Specification
  • Heat-resistance
  • Chemical-proof
  • Nonmagnetic
  • High strength

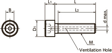
Dimension Drawing

SVSX-88Hex Socket Head Cap Screws with Ventilation Hole - High Intensity S.S.寸法図

Unit : mm

Part Number M (Coarse)
Nominal of Thread
Pitch L D1 L1 L2 B d
max.
Mass
(g)
Price
(USD)
CAD
Download
QTY
(Piece)
SVSX-M5-12-88 M5 0.8 12 8.5 5 Full Thread 4 1.5 3 7.31 CAD Cart

● Batch cleanroom packing is provided for orders containing multiple items of the same size.

No products fulfill the conditions above.

We regret to inform you that no products fulfill the conditions you have entered.
Please change the values you have entered and search once again.

Nabeya Bi-tech Kaisha offers customized products in accordance with your needs.
Please feel free to contact us via the inquiry form.

Nabeya Bi-tech Kaisha
Customer Service

Please enter questions about customization and other product-related inquiries here.

Find the inquiry form here

Related Services

Material/Finish

SVSX
Main Body SUS316L HiMo
Strength Class 8.8

Application

Vacuum devices, vacuum chambers, FPD production equipment,
semiconductor devices, and electron microscopes

Characteristics

  • Made of high strength stainless steel (Strength class 8.8).
  • The ventilation hole easily releases gas trapped in the screw holes of equipment and machines, and supports vacuum drawing of vacuum devices.
  • Excellent heat resistance and corrosion resistance.
  • Nonmagnetic.
  • About the characteristics of SUS316L HiMo
    SNSX-88SNSX-109

Usage Example

Gas trapped at the bottom of a screw hole is released through SVSX, and gas trapped in a drilled hole is released through SWAS-VF

SWAS-VFSWAS-VF-PC).

SVSX-88Hex Socket Head Cap Screws with Ventilation Hole - High Intensity S.S.


Related Products

For ventilation of drilled hole, please use SWAS-VF.
SWAS-VFSWAS-VF-PC

SVSX-88Hex Socket Head Cap Screws with Ventilation Hole - High Intensity S.S.


Product List

Click here to see SVSX-M5-88

Click here to see SVSX-88