Specs/CAD
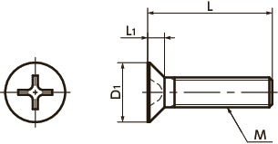
Unit : mm
| Part Number | M (Coarse) Nominal of Thread |
Pitch | L | D1 | L1 | Cross-recessed Socket Number |
Tension Rupture Load (N)*1 |
Mass (g) |
CAD Download |
RFQ |
|---|---|---|---|---|---|---|---|---|---|---|
| SNFTG-M3-6 | M3 | 0.5 | 6 | 6 | 1.75 | 2 | 4170 | 0.33 | CAD | RFQ |
| SNFTG-M3-8 | M3 | 0.5 | 8 | 6 | 1.75 | 2 | 4170 | 0.38 | CAD | RFQ |
| SNFTG-M3-10 | M3 | 0.5 | 10 | 6 | 1.75 | 2 | 4170 | 0.42 | CAD | RFQ |
| SNFTG-M3-12 | M3 | 0.5 | 12 | 6 | 1.75 | 2 | 4170 | 0.47 | CAD | RFQ |
| SNFTG-M3-15 | M3 | 0.5 | 15 | 6 | 1.75 | 2 | 4170 | 0.6 | CAD | RFQ |
| SNFTG-M3-20 | M3 | 0.5 | 20 | 6 | 1.75 | 2 | 4170 | 0.68 | CAD | RFQ |
| SNFTG-M4-8 | M4 | 0.7 | 8 | 8 | 2.3 | 2 | 7520 | 0.73 | CAD | RFQ |
| SNFTG-M4-10 | M4 | 0.7 | 10 | 8 | 2.3 | 2 | 7520 | 0.82 | CAD | RFQ |
| SNFTG-M4-12 | M4 | 0.7 | 12 | 8 | 2.3 | 2 | 7520 | 0.92 | CAD | RFQ |
| SNFTG-M4-15 | M4 | 0.7 | 15 | 8 | 2.3 | 2 | 7520 | 1.1 | CAD | RFQ |
| SNFTG-M4-20 | M4 | 0.7 | 20 | 8 | 2.3 | 2 | 7520 | 1.3 | CAD | RFQ |
| SNFTG-M4-25 | M4 | 0.7 | 25 | 8 | 2.3 | 2 | 7520 | 1.5 | CAD | RFQ |
| SNFTG-M5-8 | M5 | 0.8 | 8 | 10 | 2.8 | 2 | 11900 | 1.4 | CAD | RFQ |
| SNFTG-M5-10 | M5 | 0.8 | 10 | 10 | 2.8 | 2 | 11900 | 1.5 | CAD | RFQ |
| SNFTG-M5-12 | M5 | 0.8 | 12 | 10 | 2.8 | 2 | 11900 | 1.6 | CAD | RFQ |
| SNFTG-M5-15 | M5 | 0.8 | 15 | 10 | 2.8 | 2 | 11900 | 1.9 | CAD | RFQ |
| SNFTG-M5-20 | M5 | 0.8 | 20 | 10 | 2.8 | 2 | 11900 | 2.2 | CAD | RFQ |
| SNFTG-M5-25 | M5 | 0.8 | 25 | 10 | 2.8 | 2 | 11900 | 2.6 | CAD | RFQ |
*1: Values in chart are for reference only. They are not guaranteed values.
● Batch cleanroom packing is provided for orders containing multiple items of the same size.
Nabeya Bi-tech Kaisha
Customer Service
Please enter questions about customization and other product-related inquiries here.
Find the inquiry form hereRelated Services
Material/Finish
| SNFTG | |
|---|---|
| Main Body | Ti-15-3-3-3(β Titanium) |
Application
Lightweight applications in automobiles, aircrafts, spacecrafts, and robotsFPD production equipment, semiconductor devices, electrical and
electronic equipment, and aquatic applications
Characteristics
- Screws made of high strength titanium alloy.
- Specific gravity is approximately 60% of stainless steel.
- Nonmagnetic.
- These screws are resistant to corrosion and are particularly strong against seawater.
- About the properties of titanium⇒Properties of Titanium
- Chemical polishing and brightening processing improve the screw surface. Furthermore, the screws are cleanroom washed, cleanroom packed, and comply with clean specifications that require no oil or foreign matter deposits.

Mechanical Properties
| Ti-15-3-3-3(β Titanium) | |
|---|---|
| Tensile Strength(N/mm2) | 705-945 |
| 0.2% Proof Stress(N/mm2) | 690-835 |
| Elongation(%) | 12 or Higher |
Values in chart are for reference only. They are not guaranteed values.
Physical Properties
| Ti-15-3-3-3(β Titanium) | |
|---|---|
| Specific Gravity | 4.8 |
| Longitudinal Elastic Modulus(GPa) | 90 |
| Magnetic Permeability(μ) | 1.0002(Nonmagnetic) |
Values in chart are for reference only. They are not guaranteed values.






