Specs/CAD
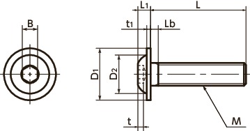
Unit : mm
| Part Number | M (Coarse) Nominal of Thread |
Pitch | L | D1 | D2 | L1 | t1 | B | t | Lb | Max. Torque(N・m) | Qty per Pack | Mass (g) |
CAD Download |
RFQ |
|---|---|---|---|---|---|---|---|---|---|---|---|---|---|---|---|
| SFB-M4-6 | M4 | 0.7 | 6 | 9.2 | 6.8 | 2.2 | 0.7 | 2.5 | 1.3 | 1.4 | 2 | 50 | 1 | CAD | RFQ |
| SFB-M4-8 | M4 | 0.7 | 8 | 9.2 | 6.8 | 2.2 | 0.7 | 2.5 | 1.3 | 1.4 | 2 | 50 | 1.2 | CAD | RFQ |
| SFB-M4-10 | M4 | 0.7 | 10 | 9.2 | 6.8 | 2.2 | 0.7 | 2.5 | 1.3 | 1.4 | 2 | 50 | 1.3 | CAD | RFQ |
| SFB-M4-12 | M4 | 0.7 | 12 | 9.2 | 6.8 | 2.2 | 0.7 | 2.5 | 1.3 | 1.4 | 2 | 50 | 1.5 | CAD | RFQ |
| SFB-M4-16 | M4 | 0.7 | 16 | 9.2 | 6.8 | 2.2 | 0.7 | 2.5 | 1.3 | 1.4 | 2 | 50 | 1.8 | CAD | RFQ |
| SFB-M4-20 | M4 | 0.7 | 20 | 9.2 | 6.8 | 2.2 | 0.7 | 2.5 | 1.3 | 1.4 | 2 | 50 | 2 | CAD | RFQ |
*1: SFB Steel - Ferrosoferric Oxide Coating is the standard product.
Nabeya Bi-tech Kaisha
Customer Service
Please enter questions about customization and other product-related inquiries here.
Find the inquiry form here●When purchasing less volume than one full bag, a separate handling fee is charged. For details, see the Sold Separately Service.
Related Services
Material/Finish
| SFB | |
|---|---|
| Main Body | SCM435 Ferrosoferric Oxide Coating(Black) |
| Strength Class | 10.9 |
Application
Reducing the size of equipment and devicesCharacteristics
- Socket button head cap screws with wide bearing surface and are resistant to looseness.
- Intended for reducing the size of devices and applications with limited overhead space.






