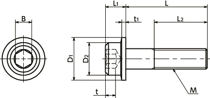
Specs/CAD
Unit : mm
| Part Number | M (Coarse) Nominal of Thread |
Pitch | L | D1 | D2 | L1 | L2 | B | t | t1 | Qty per Pack | Mass (g) |
CAD Download |
RFQ |
|---|---|---|---|---|---|---|---|---|---|---|---|---|---|---|
| SFSS-M4-6 | M4 | 0.7 | 6 | 9 | 7 | 4 | Full Thread | 3 | 2 | 0.8 | 20 | 1.5 | CAD | RFQ |
| SFSS-M4-8 | M4 | 0.7 | 8 | 9 | 7 | 4 | Full Thread | 3 | 2 | 0.8 | 20 | 1.7 | CAD | RFQ |
| SFSS-M4-10 | M4 | 0.7 | 10 | 9 | 7 | 4 | Full Thread | 3 | 2 | 0.8 | 20 | 1.8 | CAD | RFQ |
| SFSS-M4-12 | M4 | 0.7 | 12 | 9 | 7 | 4 | Full Thread | 3 | 2 | 0.8 | 20 | 2 | CAD | RFQ |
| SFSS-M4-16 | M4 | 0.7 | 16 | 9 | 7 | 4 | Full Thread | 3 | 2 | 0.8 | 20 | 2.2 | CAD | RFQ |
| SFSS-M4-20 | M4 | 0.7 | 20 | 9 | 7 | 4 | Full Thread | 3 | 2 | 0.8 | 20 | 2.6 | CAD | RFQ |
| SFSS-M5-8 | M5 | 0.8 | 8 | 11 | 8.5 | 5 | Full Thread | 4 | 2.5 | 1 | 20 | 2.9 | CAD | RFQ |
| SFSS-M5-10 | M5 | 0.8 | 10 | 11 | 8.5 | 5 | Full Thread | 4 | 2.5 | 1 | 20 | 3.2 | CAD | RFQ |
| SFSS-M5-12 | M5 | 0.8 | 12 | 11 | 8.5 | 5 | Full Thread | 4 | 2.5 | 1 | 20 | 3.4 | CAD | RFQ |
| SFSS-M5-16 | M5 | 0.8 | 16 | 11 | 8.5 | 5 | Full Thread | 4 | 2.5 | 1 | 20 | 3.9 | CAD | RFQ |
| SFSS-M5-20 | M5 | 0.8 | 20 | 11 | 8.5 | 5 | Full Thread | 4 | 2.5 | 1 | 20 | 4.4 | CAD | RFQ |
| SFSS-M5-25 | M5 | 0.8 | 25 | 11 | 8.5 | 5 | 16 | 4 | 2.5 | 1 | 20 | 5.2 | CAD | RFQ |
| SFSS-M6-10 | M6 | 1 | 10 | 12.5 | 10 | 6 | Full Thread | 5 | 3 | 1.6 | 20 | 4.9 | CAD | RFQ |
| SFSS-M6-12 | M6 | 1 | 12 | 12.5 | 10 | 6 | Full Thread | 5 | 3 | 1.6 | 20 | 5.3 | CAD | RFQ |
| SFSS-M6-16 | M6 | 1 | 16 | 12.5 | 10 | 6 | Full Thread | 5 | 3 | 1.6 | 20 | 6 | CAD | RFQ |
| SFSS-M6-20 | M6 | 1 | 20 | 12.5 | 10 | 6 | Full Thread | 5 | 3 | 1.6 | 20 | 6.6 | CAD | RFQ |
| SFSS-M6-25 | M6 | 1 | 25 | 12.5 | 10 | 6 | Full Thread | 5 | 3 | 1.6 | 20 | 7.5 | CAD | RFQ |
| SFSS-M8-12 | M8 | 1.25 | 12 | 17 | 13 | 8 | Full Thread | 6 | 4 | 1.6 | 10 | 11 | CAD | RFQ |
| SFSS-M8-16 | M8 | 1.25 | 16 | 17 | 13 | 8 | Full Thread | 6 | 4 | 1.6 | 10 | 13 | CAD | RFQ |
| SFSS-M8-20 | M8 | 1.25 | 20 | 17 | 13 | 8 | Full Thread | 6 | 4 | 1.6 | 10 | 14 | CAD | RFQ |
| SFSS-M8-25 | M8 | 1.25 | 25 | 17 | 13 | 8 | Full Thread | 6 | 4 | 1.6 | 10 | 15 | CAD | RFQ |
| SFSS-M8-30 | M8 | 1.25 | 30 | 17 | 13 | 8 | Full Thread | 6 | 4 | 1.6 | 10 | 17 | CAD | RFQ |
Nabeya Bi-tech Kaisha
Customer Service
Please enter questions about customization and other product-related inquiries here.
Find the inquiry form here● When purchasing less volume than one full bag, a separate handling fee is charged. For details, see the Sold Separately Service.
Related Services
Material/Finish
| SFSS | |
|---|---|
| Main Body | SUSXM7 (Equivalent to SUS304) |
| Strength Class | A2 - 70 |
Characteristics
- The head flange increases seating surface size, diffusing more pressure on the intended fastening material compared to conventional hex socket head bolts and helping prevent seating surface sinking. Also, the seating surface can be ensured even for large drilled holes.
- Washer mounting work is not required, reducing the number of parts.
- Ideal for screw fastening automation using robots, as washers are not used.






