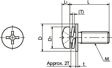
Specs/CAD
Unit : mm
| Part Number | M (Coarse) Nominal of Thread |
Pitch | L | D1 | D | L1 | t | T (Approx.) |
Cross-recessed Socket No. | Fastenable Minimum Plate Thickness |
Qty per Pack | Mass (g) |
CAD Download |
RFQ |
|---|---|---|---|---|---|---|---|---|---|---|---|---|---|---|
| SNPI3-M3-5-SUC | M3 | 0.5 | 5 | 5.5 | 8 | 2 | 0.5 | 0.7 | 2 | 0.8 | 50 | 0.62 | CAD | RFQ |
| SNPI3-M3-6-SUC | M3 | 0.5 | 6 | 5.5 | 8 | 2 | 0.5 | 0.7 | 2 | 0.8 | 50 | 0.7 | CAD | RFQ |
| SNPI3-M3-8-SUC | M3 | 0.5 | 8 | 5.5 | 8 | 2 | 0.5 | 0.7 | 2 | 0.8 | 50 | 0.79 | CAD | RFQ |
| SNPI3-M3-10-SUC | M3 | 0.5 | 10 | 5.5 | 8 | 2 | 0.5 | 0.7 | 2 | 0.8 | 50 | 0.87 | CAD | RFQ |
| SNPI3-M4-6-SUC | M4 | 0.7 | 6 | 7 | 10 | 2.6 | 0.8 | 1 | 2 | 1.1 | 50 | 1.5 | CAD | RFQ |
| SNPI3-M4-8-SUC | M4 | 0.7 | 8 | 7 | 10 | 2.6 | 0.8 | 1 | 2 | 1.1 | 50 | 1.6 | CAD | RFQ |
| SNPI3-M4-10-SUC | M4 | 0.7 | 10 | 7 | 10 | 2.6 | 0.8 | 1 | 2 | 1.1 | 50 | 1.8 | CAD | RFQ |
| SNPI3-M4-12-SUC | M4 | 0.7 | 12 | 7 | 10 | 2.6 | 0.8 | 1 | 2 | 1.1 | 50 | 1.9 | CAD | RFQ |
| SNPI3-M5-8-SUC | M5 | 0.8 | 8 | 9 | 12 | 3.3 | 0.8 | 1.3 | 2 | 1.2 | 20 | 2.9 | CAD | RFQ |
| SNPI3-M5-10-SUC | M5 | 0.8 | 10 | 9 | 12 | 3.3 | 0.8 | 1.3 | 2 | 1.2 | 20 | 3.2 | CAD | RFQ |
| SNPI3-M5-12-SUC | M5 | 0.8 | 12 | 9 | 12 | 3.3 | 0.8 | 1.3 | 2 | 1.2 | 20 | 3.4 | CAD | RFQ |
| SNPI3-M5-16-SUC | M5 | 0.8 | 16 | 9 | 12 | 3.3 | 0.8 | 1.3 | 2 | 1.2 | 20 | 3.9 | CAD | RFQ |
| SNPI3-M5-20-SUC | M5 | 0.8 | 20 | 9 | 12 | 3.3 | 0.8 | 1.3 | 2 | 1.2 | 20 | 4.4 | CAD | RFQ |
Nabeya Bi-tech Kaisha
Customer Service
Please enter questions about customization and other product-related inquiries here.
Find the inquiry form here● When purchasing less volume than one full bag, a separate handling fee is charged. For details, see the Sold Separately Service.
Related Services
Material/Finish
| SNPI3-SUC | |
|---|---|
| Screw Body | SWCH10R Trivalent Chromate Treatment |
| Screw Body Strength Class | 4.8 |
| Plain Washer | SWRH62 Trivalent Chromate Treatment |
| Spring Washer | SPCC Trivalent Chromate Treatment |
Application
Exterior panels/ Semiconductor manufacturing equipment / Equipment and device structures / Offshore instruments / General industrial machinesReducing the size of equipment and devices
Characteristics
- Steel Phillips cross recessed pan head machine screws with captive washers for sheet metal.
- Former JIS-standard plain washers and spring washers are integrated into the screws, preventing concerns about fallout issues. (Washer abbreviation: P=3)
- For screws with captive washers, see “What are screws with captive washers (SEMS screws)?” .
- Compared to standard screws with captive washers, these screws have a shorter cylindrical section that includes incomplete threads, allowing them to fasten sheet metal. Plates less than half the conventional thickness can be fastened with screws with captive washers.*1
*1: For the plate thickness that can be fastened, see “Fastenable Plate Thickness” in the Dimensions table.
- For space-saving of equipment/devices and applications with limited overhead space.
- Bolts for sheet metal are also available with special specifications such as dimensions, material, head shape, and so on. Please contact our customer service.







