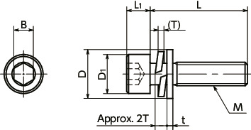
Specs/CAD
Unit : mm
| Part Number | M (Coarse) Nominal of Thread |
Pitch | L | D1 | D | L1 | B | t | T (Approx.) |
Fastenable Minimum Plate Thickness |
Qty per Pack | Mass (g) |
CAD Download |
RFQ |
|---|---|---|---|---|---|---|---|---|---|---|---|---|---|---|
| SNSQS-M3-8-SUC | M3 | 0.5 | 8 | 5.5 | 8 | 3 | 2.5 | 0.5 | 0.7 | 0.9 | 20 | 1 | CAD | RFQ |
| SNSQS-M3-10-SUC | M3 | 0.5 | 10 | 5.5 | 8 | 3 | 2.5 | 0.5 | 0.7 | 0.9 | 20 | 1.1 | CAD | RFQ |
| SNSQS-M3-12-SUC | M3 | 0.5 | 12 | 5.5 | 8 | 3 | 2.5 | 0.5 | 0.7 | 0.9 | 20 | 1.2 | CAD | RFQ |
| SNSQS-M3-16-SUC | M3 | 0.5 | 16 | 5.5 | 8 | 3 | 2.5 | 0.5 | 0.7 | 0.9 | 20 | 1.4 | CAD | RFQ |
| SNSQS-M3-20-SUC | M3 | 0.5 | 20 | 5.5 | 8 | 3 | 2.5 | 0.5 | 0.7 | 0.9 | 20 | 1.6 | CAD | RFQ |
| SNSQS-M3-25-SUC | M3 | 0.5 | 25 | 5.5 | 8 | 3 | 2.5 | 0.5 | 0.7 | 0.9 | 20 | 1.8 | CAD | RFQ |
| SNSQS-M4-8-SUC | M4 | 0.7 | 8 | 7 | 10 | 4 | 3 | 0.8 | 1 | 1.1 | 20 | 2.2 | CAD | RFQ |
| SNSQS-M4-10-SUC | M4 | 0.7 | 10 | 7 | 10 | 4 | 3 | 0.8 | 1 | 1.1 | 20 | 2.4 | CAD | RFQ |
| SNSQS-M4-12-SUC | M4 | 0.7 | 12 | 7 | 10 | 4 | 3 | 0.8 | 1 | 1.1 | 20 | 2.6 | CAD | RFQ |
| SNSQS-M4-16-SUC | M4 | 0.7 | 16 | 7 | 10 | 4 | 3 | 0.8 | 1 | 1.1 | 20 | 3 | CAD | RFQ |
| SNSQS-M4-20-SUC | M4 | 0.7 | 20 | 7 | 10 | 4 | 3 | 0.8 | 1 | 1.1 | 20 | 3.4 | CAD | RFQ |
| SNSQS-M4-25-SUC | M4 | 0.7 | 25 | 7 | 10 | 4 | 3 | 0.8 | 1 | 1.1 | 20 | 3.9 | CAD | RFQ |
| SNSQS-M4-30-SUC | M4 | 0.7 | 30 | 7 | 10 | 4 | 3 | 0.8 | 1 | 1.1 | 20 | 4.4 | CAD | RFQ |
| SNSQS-M5-8-SUC | M5 | 0.8 | 8 | 8.5 | 12 | 5 | 4 | 0.8 | 1.3 | 1.5 | 20 | 3.5 | CAD | RFQ |
| SNSQS-M5-10-SUC | M5 | 0.8 | 10 | 8.5 | 12 | 5 | 4 | 0.8 | 1.3 | 1.5 | 20 | 3.8 | CAD | RFQ |
| SNSQS-M5-12-SUC | M5 | 0.8 | 12 | 8.5 | 12 | 5 | 4 | 0.8 | 1.3 | 1.5 | 20 | 4.1 | CAD | RFQ |
| SNSQS-M5-16-SUC | M5 | 0.8 | 16 | 8.5 | 12 | 5 | 4 | 0.8 | 1.3 | 1.5 | 20 | 4.7 | CAD | RFQ |
| SNSQS-M5-20-SUC | M5 | 0.8 | 20 | 8.5 | 12 | 5 | 4 | 0.8 | 1.3 | 1.5 | 20 | 5.3 | CAD | RFQ |
| SNSQS-M5-25-SUC | M5 | 0.8 | 25 | 8.5 | 12 | 5 | 4 | 0.8 | 1.3 | 1.5 | 20 | 6.1 | CAD | RFQ |
| SNSQS-M5-30-SUC | M5 | 0.8 | 30 | 8.5 | 12 | 5 | 4 | 0.8 | 1.3 | 1.5 | 20 | 6.8 | CAD | RFQ |
| SNSQS-M5-35-SUC | M5 | 0.8 | 35 | 8.5 | 12 | 5 | 4 | 0.8 | 1.3 | 1.5 | 20 | 7.6 | CAD | RFQ |
| SNSQS-M6-10-SUC | M6 | 1 | 10 | 10 | 13 | 6 | 5 | 1 | 1.5 | 2 | 20 | 6 | CAD | RFQ |
| SNSQS-M6-12-SUC | M6 | 1 | 12 | 10 | 13 | 6 | 5 | 1 | 1.5 | 2 | 20 | 6.4 | CAD | RFQ |
| SNSQS-M6-16-SUC | M6 | 1 | 16 | 10 | 13 | 6 | 5 | 1 | 1.5 | 2 | 20 | 7.2 | CAD | RFQ |
| SNSQS-M6-20-SUC | M6 | 1 | 20 | 10 | 13 | 6 | 5 | 1 | 1.5 | 2 | 20 | 8 | CAD | RFQ |
| SNSQS-M6-25-SUC | M6 | 1 | 25 | 10 | 13 | 6 | 5 | 1 | 1.5 | 2 | 20 | 9 | CAD | RFQ |
| SNSQS-M6-30-SUC | M6 | 1 | 30 | 10 | 13 | 6 | 5 | 1 | 1.5 | 2 | 20 | 10 | CAD | RFQ |
| SNSQS-M6-35-SUC | M6 | 1 | 35 | 10 | 13 | 6 | 5 | 1 | 1.5 | 2 | 20 | 11 | CAD | RFQ |
Nabeya Bi-tech Kaisha
Customer Service
Please enter questions about customization and other product-related inquiries here.
Find the inquiry form here● When purchasing less volume than one full bag, a separate handling fee is charged. For details, see the Sold Separately Service.
Related Services
Material/Finish
| SNSQS-SUC | |
|---|---|
| Screw Body | SUSXM7 (Equivalent to SUS304) |
| Screw Body Strength Class | A2 - 50 |
| Plain Washer | SUS304 |
| Spring Washer | SUS304 |
Application
Exterior panels/ Semiconductor manufacturing equipment / Equipment and device structures / Offshore instruments / General industrial machinesCharacteristics
- Stainless steel hex socket head cap screws with captive washers for sheet metal.
- Former JIS-standard plain washers and spring washers are integrated into the screws, preventing concerns about fallout issues. (Washer abbreviation: P=3)
- For screws with captive washers, see “What are screws with captive washers (SEMS screws)?” .
- Compared to standard screws with captive washers, these screws have a shorter cylindrical section that includes incomplete threads, allowing them to fasten sheet metal. Plates less than half the conventional thickness can be fastened with screws with captive washers.*1
*1: For the plate thickness that can be fastened, see “Fastenable Plate Thickness” in the Dimensions table.
- Bolts for sheet metal are also available with special specifications such as dimensions, material, head shape, and so on. Please contact our customer service.









