Specs/CAD
Select
- # Nominal of Thread
- All
- No.4-40UNC
- No.6-32UNC
- No.8-32UNC
- No.10-32UNF
Unit : inch
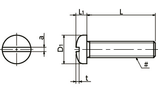
| Part Number | # Nominal of Thread | L | D1 | L1 | a | t | Tensile Breaking Load (N)*1 |
Torsional Torque (N・m)*1 |
Qty per Pack | Mass (g) |
CAD Download |
RFQ |
|---|---|---|---|---|---|---|---|---|---|---|---|---|
| SPE-#4-40-1/4-PS | No.4-40UNC | 1/4 | 0.219 | 0.068 | 0.039 | 0.040 | 306 | 0.19 | 10 | 0.078 | CAD | RFQ |
| SPE-#4-40-5/16-PS | No.4-40UNC | 5/16 | 0.219 | 0.068 | 0.039 | 0.040 | 306 | 0.19 | 10 | 0.087 | CAD | RFQ |
| SPE-#4-40-3/8-PS | No.4-40UNC | 3/8 | 0.219 | 0.068 | 0.039 | 0.040 | 306 | 0.19 | 10 | 0.096 | CAD | RFQ |
| SPE-#4-40-1/2-PS | No.4-40UNC | 1/2 | 0.219 | 0.068 | 0.039 | 0.040 | 306 | 0.19 | 10 | 0.1 | CAD | RFQ |
| SPE-#4-40-5/8-PS | No.4-40UNC | 5/8 | 0.219 | 0.068 | 0.039 | 0.040 | 306 | 0.19 | 10 | 0.11 | CAD | RFQ |
| SPE-#4-40-3/4-PS | No.4-40UNC | 3/4 | 0.219 | 0.068 | 0.039 | 0.040 | 306 | 0.19 | 10 | 0.12 | CAD | RFQ |
| SPE-#4-40-7/8-PS | No.4-40UNC | 7/8 | 0.219 | 0.068 | 0.039 | 0.040 | 306 | 0.19 | 10 | 0.13 | CAD | RFQ |
| SPE-#4-40-1-PS | No.4-40UNC | 1 | 0.219 | 0.068 | 0.039 | 0.040 | 306 | 0.19 | 10 | 0.14 | CAD | RFQ |
| SPE-#4-40-1/4-PS(100) | No.4-40UNC | 1/4 | 0.219 | 0.068 | 0.039 | 0.040 | 306 | 0.19 | 100 | 0.078 | CAD | RFQ |
| SPE-#4-40-5/16-PS(100) | No.4-40UNC | 5/16 | 0.219 | 0.068 | 0.039 | 0.040 | 306 | 0.19 | 100 | 0.087 | CAD | RFQ |
| SPE-#4-40-3/8-PS(100) | No.4-40UNC | 3/8 | 0.219 | 0.068 | 0.039 | 0.040 | 306 | 0.19 | 100 | 0.096 | CAD | RFQ |
| SPE-#4-40-1/2-PS(100) | No.4-40UNC | 1/2 | 0.219 | 0.068 | 0.039 | 0.040 | 306 | 0.19 | 100 | 0.1 | CAD | RFQ |
| SPE-#4-40-5/8-PS(100) | No.4-40UNC | 5/8 | 0.219 | 0.068 | 0.039 | 0.040 | 306 | 0.19 | 100 | 0.11 | CAD | RFQ |
| SPE-#4-40-3/4-PS(100) | No.4-40UNC | 3/4 | 0.219 | 0.068 | 0.039 | 0.040 | 306 | 0.19 | 100 | 0.12 | CAD | RFQ |
| SPE-#4-40-7/8-PS(100) | No.4-40UNC | 7/8 | 0.219 | 0.068 | 0.039 | 0.040 | 306 | 0.19 | 100 | 0.13 | CAD | RFQ |
| SPE-#4-40-1-PS(100) | No.4-40UNC | 1 | 0.219 | 0.068 | 0.039 | 0.040 | 306 | 0.19 | 100 | 0.14 | CAD | RFQ |
| SPE-#6-32-1/4-PS | No.6-32UNC | 1/4 | 0.27 | 0.082 | 0.048 | 0.050 | 459 | 0.33 | 10 | 0.17 | CAD | RFQ |
| SPE-#6-32-5/16-PS | No.6-32UNC | 5/16 | 0.27 | 0.082 | 0.048 | 0.050 | 459 | 0.33 | 10 | 0.18 | CAD | RFQ |
| SPE-#6-32-3/8-PS | No.6-32UNC | 3/8 | 0.27 | 0.082 | 0.048 | 0.050 | 459 | 0.33 | 10 | 0.2 | CAD | RFQ |
| SPE-#6-32-1/2-PS | No.6-32UNC | 1/2 | 0.27 | 0.082 | 0.048 | 0.050 | 459 | 0.33 | 10 | 0.21 | CAD | RFQ |
| SPE-#6-32-5/8-PS | No.6-32UNC | 5/8 | 0.27 | 0.082 | 0.048 | 0.050 | 459 | 0.33 | 10 | 0.23 | CAD | RFQ |
| SPE-#6-32-3/4-PS | No.6-32UNC | 3/4 | 0.27 | 0.082 | 0.048 | 0.050 | 459 | 0.33 | 10 | 0.24 | CAD | RFQ |
| SPE-#6-32-7/8-PS | No.6-32UNC | 7/8 | 0.27 | 0.082 | 0.048 | 0.050 | 459 | 0.33 | 10 | 0.26 | CAD | RFQ |
| SPE-#6-32-1-PS | No.6-32UNC | 1 | 0.27 | 0.082 | 0.048 | 0.050 | 459 | 0.33 | 10 | 0.29 | CAD | RFQ |
| SPE-#6-32-1/4-PS(100) | No.6-32UNC | 1/4 | 0.27 | 0.082 | 0.048 | 0.050 | 459 | 0.33 | 100 | 0.17 | CAD | RFQ |
| SPE-#6-32-5/16-PS(100) | No.6-32UNC | 5/16 | 0.27 | 0.082 | 0.048 | 0.050 | 459 | 0.33 | 100 | 0.18 | CAD | RFQ |
| SPE-#6-32-3/8-PS(100) | No.6-32UNC | 3/8 | 0.27 | 0.082 | 0.048 | 0.050 | 459 | 0.33 | 100 | 0.2 | CAD | RFQ |
| SPE-#6-32-1/2-PS(100) | No.6-32UNC | 1/2 | 0.27 | 0.082 | 0.048 | 0.050 | 459 | 0.33 | 100 | 0.21 | CAD | RFQ |
| SPE-#6-32-5/8-PS(100) | No.6-32UNC | 5/8 | 0.27 | 0.082 | 0.048 | 0.050 | 459 | 0.33 | 100 | 0.23 | CAD | RFQ |
| SPE-#6-32-3/4-PS(100) | No.6-32UNC | 3/4 | 0.27 | 0.082 | 0.048 | 0.050 | 459 | 0.33 | 100 | 0.24 | CAD | RFQ |
| SPE-#6-32-7/8-PS(100) | No.6-32UNC | 7/8 | 0.27 | 0.082 | 0.048 | 0.050 | 459 | 0.33 | 100 | 0.26 | CAD | RFQ |
| SPE-#6-32-1-PS(100) | No.6-32UNC | 1 | 0.27 | 0.082 | 0.048 | 0.050 | 459 | 0.33 | 100 | 0.29 | CAD | RFQ |
| SPE-#8-32-1/4-PS | No.8-32UNC | 1/4 | 0.322 | 0.096 | 0.054 | 0.058 | 746 | 0.61 | 10 | 0.27 | CAD | RFQ |
| SPE-#8-32-5/16-PS | No.8-32UNC | 5/16 | 0.322 | 0.096 | 0.054 | 0.058 | 746 | 0.61 | 10 | 0.28 | CAD | RFQ |
| SPE-#8-32-3/8-PS | No.8-32UNC | 3/8 | 0.322 | 0.096 | 0.054 | 0.058 | 746 | 0.61 | 10 | 0.3 | CAD | RFQ |
| SPE-#8-32-1/2-PS | No.8-32UNC | 1/2 | 0.322 | 0.096 | 0.054 | 0.058 | 746 | 0.61 | 10 | 0.31 | CAD | RFQ |
| SPE-#8-32-5/8-PS | No.8-32UNC | 5/8 | 0.322 | 0.096 | 0.054 | 0.058 | 746 | 0.61 | 10 | 0.33 | CAD | RFQ |
| SPE-#8-32-3/4-PS | No.8-32UNC | 3/4 | 0.322 | 0.096 | 0.054 | 0.058 | 746 | 0.61 | 10 | 0.34 | CAD | RFQ |
| SPE-#8-32-7/8-PS | No.8-32UNC | 7/8 | 0.322 | 0.096 | 0.054 | 0.058 | 746 | 0.61 | 10 | 0.36 | CAD | RFQ |
| SPE-#8-32-1-PS | No.8-32UNC | 1 | 0.322 | 0.096 | 0.054 | 0.058 | 746 | 0.61 | 10 | 0.39 | CAD | RFQ |
| SPE-#8-32-1/4-PS(100) | No.8-32UNC | 1/4 | 0.322 | 0.096 | 0.054 | 0.058 | 746 | 0.61 | 100 | 0.27 | CAD | RFQ |
| SPE-#8-32-5/16-PS(100) | No.8-32UNC | 5/16 | 0.322 | 0.096 | 0.054 | 0.058 | 746 | 0.61 | 100 | 0.28 | CAD | RFQ |
| SPE-#8-32-3/8-PS(100) | No.8-32UNC | 3/8 | 0.322 | 0.096 | 0.054 | 0.058 | 746 | 0.61 | 100 | 0.3 | CAD | RFQ |
| SPE-#8-32-1/2-PS(100) | No.8-32UNC | 1/2 | 0.322 | 0.096 | 0.054 | 0.058 | 746 | 0.61 | 100 | 0.31 | CAD | RFQ |
| SPE-#8-32-5/8-PS(100) | No.8-32UNC | 5/8 | 0.322 | 0.096 | 0.054 | 0.058 | 746 | 0.61 | 100 | 0.33 | CAD | RFQ |
| SPE-#8-32-3/4-PS(100) | No.8-32UNC | 3/4 | 0.322 | 0.096 | 0.054 | 0.058 | 746 | 0.61 | 100 | 0.34 | CAD | RFQ |
| SPE-#8-32-7/8-PS(100) | No.8-32UNC | 7/8 | 0.322 | 0.096 | 0.054 | 0.058 | 746 | 0.61 | 100 | 0.36 | CAD | RFQ |
| SPE-#8-32-1-PS(100) | No.8-32UNC | 1 | 0.322 | 0.096 | 0.054 | 0.058 | 746 | 0.61 | 100 | 0.39 | CAD | RFQ |
| SPE-#10-32-3/8-PS | No.10-32UNF | 3/8 | 0.373 | 0.11 | 0.06 | 0.068 | 1090 | 0.95 | 10 | 0.36 | CAD | RFQ |
| SPE-#10-32-1/2-PS | No.10-32UNF | 1/2 | 0.373 | 0.11 | 0.06 | 0.068 | 1090 | 0.95 | 10 | 0.42 | CAD | RFQ |
| SPE-#10-32-5/8-PS | No.10-32UNF | 5/8 | 0.373 | 0.11 | 0.06 | 0.068 | 1090 | 0.95 | 10 | 0.48 | CAD | RFQ |
| SPE-#10-32-3/4-PS | No.10-32UNF | 3/4 | 0.373 | 0.11 | 0.06 | 0.068 | 1090 | 0.95 | 10 | 0.54 | CAD | RFQ |
| SPE-#10-32-7/8-PS | No.10-32UNF | 7/8 | 0.373 | 0.11 | 0.06 | 0.068 | 1090 | 0.95 | 10 | 0.6 | CAD | RFQ |
| SPE-#10-32-1-PS | No.10-32UNF | 1 | 0.373 | 0.11 | 0.06 | 0.068 | 1090 | 0.95 | 10 | 0.66 | CAD | RFQ |
| SPE-#10-32-3/8-PS(100) | No.10-32UNF | 3/8 | 0.373 | 0.11 | 0.06 | 0.068 | 1090 | 0.95 | 100 | 0.36 | CAD | RFQ |
| SPE-#10-32-1/2-PS(100) | No.10-32UNF | 1/2 | 0.373 | 0.11 | 0.06 | 0.068 | 1090 | 0.95 | 100 | 0.42 | CAD | RFQ |
| SPE-#10-32-5/8-PS(100) | No.10-32UNF | 5/8 | 0.373 | 0.11 | 0.06 | 0.068 | 1090 | 0.95 | 100 | 0.48 | CAD | RFQ |
| SPE-#10-32-3/4-PS(100) | No.10-32UNF | 3/4 | 0.373 | 0.11 | 0.06 | 0.068 | 1090 | 0.95 | 100 | 0.54 | CAD | RFQ |
| SPE-#10-32-7/8-PS(100) | No.10-32UNF | 7/8 | 0.373 | 0.11 | 0.06 | 0.068 | 1090 | 0.95 | 100 | 0.6 | CAD | RFQ |
| SPE-#10-32-1-PS(100) | No.10-32UNF | 1 | 0.373 | 0.11 | 0.06 | 0.068 | 1090 | 0.95 | 100 | 0.66 | CAD | RFQ |
*1: Values in chart are for reference only. They are not guaranteed values. The recommended tightening torque is 50% of the torsional torque.
Nabeya Bi-tech Kaisha
Customer Service
Please enter questions about customization and other product-related inquiries here.
Find the inquiry form hereRelated Services
Material/Finish
| SPE-PS(INCH) | |
|---|---|
| Main Body | PEEK (Polyether Ether Ketone) (Light Brown) |
| Heat Resistance Temperature*1 |
260℃ |
*1: This is the value for the resin material. The operating temperature of the product changes with performance conditions such as tightening torque.
Application
FPD production equipment / Semiconductor manufacturing equipment / Printed circuit board etching devices / Metallic surface treatment equipment and facilities / Chemical plants / Transformers / Electrical and electronic equipment / Hot water pumps / Chemical pumpsCharacteristics
- PEEK slotted pan head machine screws.
- Inch screw type.
- PEEK is a thermoplastic super engineering plastic superior in physical and chemical properties.
- Excellent chemical resistance. It remains almost unaffected by chemicals other than concentrated sulfuric acid, concentrated nitric acid, and concentrated hydrofluoric acid.
- With excellent heat resistance and water resistance, it retains strength at high temperatures.
- It features outstanding resistance to wear, shock, and fatigue.
- It also has high flame retardance which clears the UL 94 V-0 standard.
- For the properties and precautions for use of plastic screws, see “Properties of Plastic Screws.”⇒Plastic Screws

/14307_1.jpg?upd=20260417091802)
/14321_1.jpg?upd=20260417091802)
/14306_1.jpg?upd=20260417091752&awscf_publishdate=2026-05-18 18:35)
/14306_1.jpg?upd=20260417092000&awscf_publishdate=2026-05-18 18:35)
/14306_1.jpg?upd=20260417091807&awscf_publishdate=2026-05-18 18:35)
/14306_1.jpg?upd=20260417091812&awscf_publishdate=2026-05-18 18:35)
