Specs/CAD
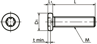
Unit : mm
| Part Number | M (Coarse) Nominal of Thread |
Pitch | L | D1 | L1 | t min. | Hexalobular Socket No. |
Max. Torque (N・m) |
Qty per Pack |
Mass (g) |
CAD Download |
RFQ |
|---|---|---|---|---|---|---|---|---|---|---|---|---|
| SNZCXS-M2-2 | M2 | 0.4 | 2 | 3 | 0.6 | 0.35 | 5 | 0.22 | 50 | 0.062 | CAD | RFQ |
| SNZCXS-M2-3 | M2 | 0.4 | 3 | 3 | 0.6 | 0.35 | 5 | 0.22 | 50 | 0.079 | CAD | RFQ |
| SNZCXS-M2-4 | M2 | 0.4 | 4 | 3 | 0.6 | 0.35 | 5 | 0.22 | 50 | 0.096 | CAD | RFQ |
| SNZCXS-M2-5 | M2 | 0.4 | 5 | 3 | 0.6 | 0.35 | 5 | 0.22 | 50 | 0.12 | CAD | RFQ |
| SNZCXS-M2-6 | M2 | 0.4 | 6 | 3 | 0.6 | 0.35 | 5 | 0.22 | 50 | 0.13 | CAD | RFQ |
| SNZCXS-M2-8 | M2 | 0.4 | 8 | 3 | 0.6 | 0.35 | 5 | 0.22 | 50 | 0.17 | CAD | RFQ |
| SNZCXS-M2-10 | M2 | 0.4 | 10 | 3 | 0.6 | 0.35 | 5 | 0.22 | 50 | 0.2 | CAD | RFQ |
Nabeya Bi-tech Kaisha
Customer Service
Please enter questions about customization and other product-related inquiries here.
Find the inquiry form here● When purchasing less volume than one full bag, a separate handling fee is charged. For details, see the Sold Separately Service.
Related Services
Material/Finish
| SNZCXS | |
|---|---|
| Main Body | SUSXM7 (Equivalent to SUS304) |
Application
Reducing the size of equipment and devicesCompact precision equipment
Characteristics
- M1.4-M2.5. Miniature screws for precision instruments.
- Flat head machine screw type with low head height. For space-saving of equipment/devices and applications with limited overhead space.
- Hexalobular recess is unlikely to be damaged due to tightening, allowing safe and secure tightening to be performed.
-
We manufacture products with special specifications such as ventilation holes, cleanroom washing and special packaging.
⇒We can make a screw like this one










