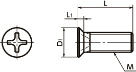
Specs/CAD
Unit : mm
| Part Number | M (Coarse) Nominal of Thread |
Pitch | L | D1 | L1 | Cross-recessed Socket Number |
Qty per Pack | Mass (g) |
CAD Download |
RFQ |
|---|---|---|---|---|---|---|---|---|---|---|
| SNZF-M1.4-2-TBZ | M1.4 | 0.3 | 2 | 2 | 0.45 | 0 | 50 | 0.016 | CAD | RFQ |
| SNZF-M1.4-3-TBZ | M1.4 | 0.3 | 3 | 2 | 0.45 | 0 | 50 | 0.024 | CAD | RFQ |
| SNZF-M1.4-4-TBZ | M1.4 | 0.3 | 4 | 2 | 0.45 | 0 | 50 | 0.032 | CAD | RFQ |
| SNZF-M1.4-5-TBZ | M1.4 | 0.3 | 5 | 2 | 0.45 | 0 | 50 | 0.041 | CAD | RFQ |
| SNZF-M1.4-6-TBZ | M1.4 | 0.3 | 6 | 2 | 0.45 | 0 | 50 | 0.049 | CAD | RFQ |
| SNZF-M1.4-8-TBZ | M1.4 | 0.3 | 8 | 2 | 0.45 | 0 | 50 | 0.066 | CAD | RFQ |
| SNZF-M1.7-2-TBZ | M1.7 | 0.35 | 2 | 2.5 | 0.5 | 0 | 50 | 0.027 | CAD | RFQ |
| SNZF-M1.7-3-TBZ | M1.7 | 0.35 | 3 | 2.5 | 0.5 | 0 | 50 | 0.04 | CAD | RFQ |
| SNZF-M1.7-4-TBZ | M1.7 | 0.35 | 4 | 2.5 | 0.5 | 0 | 50 | 0.052 | CAD | RFQ |
| SNZF-M1.7-5-TBZ | M1.7 | 0.35 | 5 | 2.5 | 0.5 | 0 | 50 | 0.065 | CAD | RFQ |
| SNZF-M1.7-6-TBZ | M1.7 | 0.35 | 6 | 2.5 | 0.5 | 0 | 50 | 0.078 | CAD | RFQ |
| SNZF-M1.7-8-TBZ | M1.7 | 0.35 | 8 | 2.5 | 0.5 | 0 | 50 | 0.1 | CAD | RFQ |
| SNZF-M1.7-10-TBZ | M1.7 | 0.35 | 10 | 2.5 | 0.5 | 0 | 50 | 0.13 | CAD | RFQ |
| SNZF-M2-2-TBZ | M2 | 0.4 | 2 | 3 | 0.6 | 0 | 50 | 0.038 | CAD | RFQ |
| SNZF-M2-3-TBZ | M2 | 0.4 | 3 | 3 | 0.6 | 0 | 50 | 0.056 | CAD | RFQ |
| SNZF-M2-4-TBZ | M2 | 0.4 | 4 | 3 | 0.6 | 0 | 50 | 0.073 | CAD | RFQ |
| SNZF-M2-5-TBZ | M2 | 0.4 | 5 | 3 | 0.6 | 0 | 50 | 0.091 | CAD | RFQ |
| SNZF-M2-6-TBZ | M2 | 0.4 | 6 | 3 | 0.6 | 0 | 50 | 0.11 | CAD | RFQ |
| SNZF-M2-8-TBZ | M2 | 0.4 | 8 | 3 | 0.6 | 0 | 50 | 0.14 | CAD | RFQ |
| SNZF-M2-10-TBZ | M2 | 0.4 | 10 | 3 | 0.6 | 0 | 50 | 0.18 | CAD | RFQ |
| SNZF-M2.6-3-TBZ | M2.6 | 0.45 | 3 | 4 | 0.8 | 0 | 50 | 0.1 | CAD | RFQ |
| SNZF-M2.6-4-TBZ | M2.6 | 0.45 | 4 | 4 | 0.8 | 0 | 50 | 0.14 | CAD | RFQ |
| SNZF-M2.6-5-TBZ | M2.6 | 0.45 | 5 | 4 | 0.8 | 0 | 50 | 0.17 | CAD | RFQ |
| SNZF-M2.6-6-TBZ | M2.6 | 0.45 | 6 | 4 | 0.8 | 0 | 50 | 0.2 | CAD | RFQ |
| SNZF-M2.6-8-TBZ | M2.6 | 0.45 | 8 | 4 | 0.8 | 0 | 50 | 0.27 | CAD | RFQ |
Nabeya Bi-tech Kaisha
Customer Service
Please enter questions about customization and other product-related inquiries here.
Find the inquiry form here
● When purchasing less volume than one full bag, a separate handling fee is charged. For details, see the Sold Separately Service.
Related Services
Material/Finish
| SNZF-TBZ | |
|---|---|
| Main Body | SWCH16A Black Trivalent Chromate Treatment |
Application
Reducing the size of equipment and devicesCompact precision instruments
Characteristics
- Miniature screws for precision instruments.(JCIS 10-70)
- M1.4 - M2.6。
- More compact head than standard flat head machine screws.








