Specs/CAD
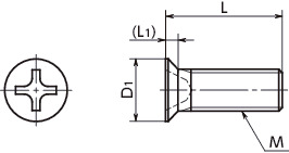
Unit : mm
| Part Number | M (Coarse) Nominal of Thread |
Pitch | L | D1 | L1 | Cross-recessed Socket No. | Max. Tightening Torque *1(N・m) |
Qty per Pack | Mass (g) |
CAD Download |
RFQ |
|---|---|---|---|---|---|---|---|---|---|---|---|
| SNZF-M1.4-1.5-TZB | M1.4 | 0.3 | 1.5 | 2.0 | 0.45 | 0 | 0.07 | 50 | 0.01 | CAD | RFQ |
| SNZF-M1.4-2-TZB | M1.4 | 0.3 | 2 | 2.0 | 0.45 | 0 | 0.07 | 50 | 0.02 | CAD | RFQ |
| SNZF-M1.4-2.5-TZB | M1.4 | 0.3 | 2.5 | 2.0 | 0.45 | 0 | 0.07 | 50 | 0.02 | CAD | RFQ |
| SNZF-M1.4-3-TZB | M1.4 | 0.3 | 3 | 2.0 | 0.45 | 0 | 0.07 | 50 | 0.03 | CAD | RFQ |
| SNZF-M1.4-3.5-TZB | M1.4 | 0.3 | 3.5 | 2.0 | 0.45 | 0 | 0.07 | 50 | 0.03 | CAD | RFQ |
| SNZF-M1.4-4-TZB | M1.4 | 0.3 | 4 | 2.0 | 0.45 | 0 | 0.07 | 50 | 0.03 | CAD | RFQ |
| SNZF-M1.4-5-TZB | M1.4 | 0.3 | 5 | 2.0 | 0.45 | 0 | 0.07 | 50 | 0.04 | CAD | RFQ |
| SNZF-M1.4-6-TZB | M1.4 | 0.3 | 6 | 2.0 | 0.45 | 0 | 0.07 | 50 | 0.05 | CAD | RFQ |
| SNZF-M1.4-8-TZB | M1.4 | 0.3 | 8 | 2.0 | 0.45 | 0 | 0.07 | 50 | 0.07 | CAD | RFQ |
| SNZF-M1.4-10-TZB | M1.4 | 0.3 | 10 | 2.0 | 0.45 | 0 | 0.07 | 50 | 0.08 | CAD | RFQ |
| SNZF-M1.6-2-TZB | M1.6 | 0.35 | 2 | 2.4 | 0.5 | 0 | 0.11 | 50 | 0.03 | CAD | RFQ |
| SNZF-M1.6-2.5-TZB | M1.6 | 0.35 | 2.5 | 2.4 | 0.5 | 0 | 0.11 | 50 | 0.03 | CAD | RFQ |
| SNZF-M1.6-3-TZB | M1.6 | 0.35 | 3 | 2.4 | 0.5 | 0 | 0.11 | 50 | 0.04 | CAD | RFQ |
| SNZF-M1.6-3.5-TZB | M1.6 | 0.35 | 3.5 | 2.4 | 0.5 | 0 | 0.11 | 50 | 0.04 | CAD | RFQ |
| SNZF-M1.6-4-TZB | M1.6 | 0.35 | 4 | 2.4 | 0.5 | 0 | 0.11 | 50 | 0.05 | CAD | RFQ |
| SNZF-M1.6-5-TZB | M1.6 | 0.35 | 5 | 2.4 | 0.5 | 0 | 0.11 | 50 | 0.06 | CAD | RFQ |
| SNZF-M1.6-6-TZB | M1.6 | 0.35 | 6 | 2.4 | 0.5 | 0 | 0.11 | 50 | 0.07 | CAD | RFQ |
| SNZF-M1.6-8-TZB | M1.6 | 0.35 | 8 | 2.4 | 0.5 | 0 | 0.11 | 50 | 0.09 | CAD | RFQ |
| SNZF-M1.7-2-TZB | M1.7 | 0.35 | 2 | 2.5 | 0.5 | 0 | 0.14 | 50 | 0.03 | CAD | RFQ |
| SNZF-M1.7-2.5-TZB | M1.7 | 0.35 | 2.5 | 2.5 | 0.5 | 0 | 0.14 | 50 | 0.04 | CAD | RFQ |
| SNZF-M1.7-3-TZB | M1.7 | 0.35 | 3 | 2.5 | 0.5 | 0 | 0.14 | 50 | 0.04 | CAD | RFQ |
| SNZF-M1.7-3.5-TZB | M1.7 | 0.35 | 3.5 | 2.5 | 0.5 | 0 | 0.14 | 50 | 0.05 | CAD | RFQ |
| SNZF-M1.7-4-TZB | M1.7 | 0.35 | 4 | 2.5 | 0.5 | 0 | 0.14 | 50 | 0.05 | CAD | RFQ |
| SNZF-M1.7-5-TZB | M1.7 | 0.35 | 5 | 2.5 | 0.5 | 0 | 0.14 | 50 | 0.07 | CAD | RFQ |
| SNZF-M1.7-6-TZB | M1.7 | 0.35 | 6 | 2.5 | 0.5 | 0 | 0.14 | 50 | 0.08 | CAD | RFQ |
| SNZF-M1.7-8-TZB | M1.7 | 0.35 | 8 | 2.5 | 0.5 | 0 | 0.14 | 50 | 0.1 | CAD | RFQ |
| SNZF-M1.7-10-TZB | M1.7 | 0.35 | 10 | 2.5 | 0.5 | 0 | 0.14 | 50 | 0.13 | CAD | RFQ |
| SNZF-M2-2-TZB | M2 | 0.4 | 2 | 3.0 | 0.6 | 0 | 0.22 | 50 | 0.04 | CAD | RFQ |
| SNZF-M2-2.5-TZB | M2 | 0.4 | 2.5 | 3.0 | 0.6 | 0 | 0.22 | 50 | 0.05 | CAD | RFQ |
| SNZF-M2-3-TZB | M2 | 0.4 | 3 | 3.0 | 0.6 | 0 | 0.22 | 50 | 0.06 | CAD | RFQ |
| SNZF-M2-3.5-TZB | M2 | 0.4 | 3.5 | 3.0 | 0.6 | 0 | 0.22 | 50 | 0.07 | CAD | RFQ |
| SNZF-M2-4-TZB | M2 | 0.4 | 4 | 3.0 | 0.6 | 0 | 0.22 | 50 | 0.08 | CAD | RFQ |
| SNZF-M2-5-TZB | M2 | 0.4 | 5 | 3.0 | 0.6 | 0 | 0.22 | 50 | 0.1 | CAD | RFQ |
| SNZF-M2-6-TZB | M2 | 0.4 | 6 | 3.0 | 0.6 | 0 | 0.22 | 50 | 0.11 | CAD | RFQ |
| SNZF-M2-8-TZB | M2 | 0.4 | 8 | 3.0 | 0.6 | 0 | 0.22 | 50 | 0.15 | CAD | RFQ |
| SNZF-M2-10-TZB | M2 | 0.4 | 10 | 3.0 | 0.6 | 0 | 0.22 | 50 | 0.18 | CAD | RFQ |
| SNZF-M2.5-3-TZB | M2.5 | 0.45 | 3 | 3.8 | 0.8 | 0 | 0.46 | 50 | 0.1 | CAD | RFQ |
| SNZF-M2.5-4-TZB | M2.5 | 0.45 | 4 | 3.8 | 0.8 | 0 | 0.46 | 50 | 0.13 | CAD | RFQ |
| SNZF-M2.5-5-TZB | M2.5 | 0.45 | 5 | 3.8 | 0.8 | 0 | 0.46 | 50 | 0.16 | CAD | RFQ |
| SNZF-M2.5-6-TZB | M2.5 | 0.45 | 6 | 3.8 | 0.8 | 0 | 0.46 | 50 | 0.19 | CAD | RFQ |
| SNZF-M2.6-3-TZB | M2.6 | 0.45 | 3 | 4.0 | 0.8 | 0 | 0.53 | 50 | 0.12 | CAD | RFQ |
| SNZF-M2.6-4-TZB | M2.6 | 0.45 | 4 | 4.0 | 0.8 | 0 | 0.53 | 50 | 0.15 | CAD | RFQ |
| SNZF-M2.6-5-TZB | M2.6 | 0.45 | 5 | 4.0 | 0.8 | 0 | 0.53 | 50 | 0.18 | CAD | RFQ |
| SNZF-M2.6-6-TZB | M2.6 | 0.45 | 6 | 4.0 | 0.8 | 0 | 0.53 | 50 | 0.21 | CAD | RFQ |
| SNZF-M2.6-8-TZB | M2.6 | 0.45 | 8 | 4.0 | 0.8 | 0 | 0.53 | 50 | 0.27 | CAD | RFQ |
| SNZF-M2.6-10-TZB | M2.6 | 0.45 | 10 | 4.0 | 0.8 | 0 | 0.53 | 50 | 0.33 | CAD | RFQ |
*1: Values in chart are for reference only. They are not guaranteed values.
Nabeya Bi-tech Kaisha
Customer Service
Please enter questions about customization and other product-related inquiries here.
Find the inquiry form here● When purchasing less volume than one full bag, a separate handling fee is charged. For details, see the Sold Separately Service.
Related Services
Material/Finish
| SNZF-TZB | |
|---|---|
| Main Body | Steel Trivalent Chromate Treatment |
Application
For making devices and equipment more compactCompact precision equipment
Characteristics
- Miniature screws for precision instruments (Type 0-1).
- M1.4 - M2.6.
- Head is more compact than standard flat head machine screws.






