Specs/CAD
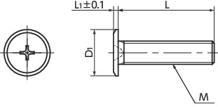
Unit : mm
| Part Number | M (Coarse) Nominal of Thread |
Pitch | L | D1 | L1 | Bit Part No. | Max. Torque (N・m) |
Qty per pack | Mass (g) |
CAD Download |
RFQ |
|---|---|---|---|---|---|---|---|---|---|---|---|
| SEQ-M3-6-TZB | M3 | 0.5 | 6 | 7 | 0.8 | SKQB-1 | 0.7 | 50 | 0.39 | CAD | RFQ |
| SEQ-M3-8-TZB | M3 | 0.5 | 8 | 7 | 0.8 | SKQB-1 | 0.7 | 50 | 0.48 | CAD | RFQ |
| SEQ-M3-10-TZB | M3 | 0.5 | 10 | 7 | 0.8 | SKQB-1 | 0.7 | 50 | 0.56 | CAD | RFQ |
| SEQ-M3-12-TZB | M3 | 0.5 | 12 | 7 | 0.8 | SKQB-1 | 0.7 | 50 | 0.64 | CAD | RFQ |
| SEQ-M4-8-TZB | M4 | 0.7 | 8 | 8 | 0.9 | SKQB-2 | 1.8 | 50 | 0.8 | CAD | RFQ |
| SEQ-M4-10-TZB | M4 | 0.7 | 10 | 8 | 0.9 | SKQB-2 | 1.8 | 50 | 0.95 | CAD | RFQ |
| SEQ-M4-12-TZB | M4 | 0.7 | 12 | 8 | 0.9 | SKQB-2 | 1.8 | 50 | 1.1 | CAD | RFQ |
| SEQ-M4-16-TZB | M4 | 0.7 | 16 | 8 | 0.9 | SKQB-2 | 1.8 | 50 | 1.4 | CAD | RFQ |
Nabeya Bi-tech Kaisha
Customer Service
Please enter questions about customization and other product-related inquiries here.
Find the inquiry form here●When purchasing less volume than one full bag, a separate handling fee is charged. For details, see the Sold Separately Service.
Related Services
Material/Finish
| SEQ-TZB | |
|---|---|
| Main Body | SWCH Trivalent Chromate Treatment (Silver) |
Application
Reducing the size of equipment and devicesCharacteristics
- Cross recessed head cap screws with extra low profile.
- For space-saving of equipment/devices and applications with limited overhead space.
- QuaStix *1 is used for the cross recess. By using a dedicated bit for QuaStix SKQB, the torque transmission is improved, preventing cam-out and damage to the cross recess. *2
*1: QuaStix is a registered trademark of OSG Corporation.
*2: It can be mounted and removed with ordinary Phillips bits.



/11576_1.jpg?upd=20250922124420&awscf_publishdate=2025-10-16 18:08)




