Specs/CAD
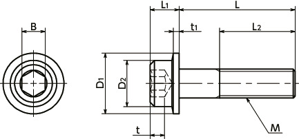
Unit : mm
| Part Number | M (Coarse) Nominal of Thread |
Pitch | L | D1 | D2 | L1 | L2 | B | t | t1 | Mass (g) |
CAD Download |
RFQ |
|---|---|---|---|---|---|---|---|---|---|---|---|---|---|
| SFSS-M4-6-TF | M4 | 0.7 | 6 | 9 | 7 | 4 | Full Thread | 3 | 2 | 0.8 | 1.5 | CAD | RFQ |
| SFSS-M4-8-TF | M4 | 0.7 | 8 | 9 | 7 | 4 | Full Thread | 3 | 2 | 0.8 | 1.7 | CAD | RFQ |
| SFSS-M4-10-TF | M4 | 0.7 | 10 | 9 | 7 | 4 | Full Thread | 3 | 2 | 0.8 | 1.8 | CAD | RFQ |
| SFSS-M4-12-TF | M4 | 0.7 | 12 | 9 | 7 | 4 | Full Thread | 3 | 2 | 0.8 | 2 | CAD | RFQ |
| SFSS-M4-16-TF | M4 | 0.7 | 16 | 9 | 7 | 4 | Full Thread | 3 | 2 | 0.8 | 2.2 | CAD | RFQ |
| SFSS-M4-20-TF | M4 | 0.7 | 20 | 9 | 7 | 4 | Full Thread | 3 | 2 | 0.8 | 2.6 | CAD | RFQ |
| SFSS-M5-8-TF | M5 | 0.8 | 8 | 11 | 8.5 | 5 | Full Thread | 4 | 2.5 | 1 | 2.9 | CAD | RFQ |
| SFSS-M5-10-TF | M5 | 0.8 | 10 | 11 | 8.5 | 5 | Full Thread | 4 | 2.5 | 1 | 3.2 | CAD | RFQ |
| SFSS-M5-12-TF | M5 | 0.8 | 12 | 11 | 8.5 | 5 | Full Thread | 4 | 2.5 | 1 | 3.4 | CAD | RFQ |
| SFSS-M5-16-TF | M5 | 0.8 | 16 | 11 | 8.5 | 5 | Full Thread | 4 | 2.5 | 1 | 3.9 | CAD | RFQ |
| SFSS-M5-20-TF | M5 | 0.8 | 20 | 11 | 8.5 | 5 | Full Thread | 4 | 2.5 | 1 | 4.4 | CAD | RFQ |
| SFSS-M5-25-TF | M5 | 0.8 | 25 | 11 | 8.5 | 5 | 16 | 4 | 2.5 | 1 | 5.2 | CAD | RFQ |
| SFSS-M6-10-TF | M6 | 1 | 10 | 12.5 | 10 | 6 | Full Thread | 5 | 3 | 1.6 | 4.9 | CAD | RFQ |
| SFSS-M6-12-TF | M6 | 1 | 12 | 12.5 | 10 | 6 | Full Thread | 5 | 3 | 1.6 | 5.3 | CAD | RFQ |
| SFSS-M6-16-TF | M6 | 1 | 16 | 12.5 | 10 | 6 | Full Thread | 5 | 3 | 1.6 | 6 | CAD | RFQ |
| SFSS-M6-20-TF | M6 | 1 | 20 | 12.5 | 10 | 6 | Full Thread | 5 | 3 | 1.6 | 6.6 | CAD | RFQ |
| SFSS-M6-25-TF | M6 | 1 | 25 | 12.5 | 10 | 6 | Full Thread | 5 | 3 | 1.6 | 7.5 | CAD | RFQ |
| SFSS-M8-12-TF | M8 | 1.25 | 12 | 17 | 13 | 8 | Full Thread | 6 | 4 | 1.6 | 11 | CAD | RFQ |
| SFSS-M8-16-TF | M8 | 1.25 | 16 | 17 | 13 | 8 | Full Thread | 6 | 4 | 1.6 | 13 | CAD | RFQ |
| SFSS-M8-20-TF | M8 | 1.25 | 20 | 17 | 13 | 8 | Full Thread | 6 | 4 | 1.6 | 14 | CAD | RFQ |
| SFSS-M8-25-TF | M8 | 1.25 | 25 | 17 | 13 | 8 | Full Thread | 6 | 4 | 1.6 | 15 | CAD | RFQ |
| SFSS-M8-30-TF | M8 | 1.25 | 30 | 17 | 13 | 8 | Full Thread | 6 | 4 | 1.6 | 17 | CAD | RFQ |
Nabeya Bi-tech Kaisha
Customer Service
Please enter questions about customization and other product-related inquiries here.
Find the inquiry form hereRelated Services
Material/Finish
| SFSS-TF | |
|---|---|
| Main Body | SUSXM7 (Equivalent to SUS304) PTFE (Tetrafluoroethylene) Coating |
| Strength Class | A2 - 70 |
Application
Seizing preventionFPD production equipment / Semiconductor manufacturing equipment / Printed circuit board etching devices / Metallic surface treatment equipment and facilities / Chemical plants
Characteristics
- Because the bearing surface is larger due to the head part flange, the pressure on the fastened material is dispersed compared to normal hex socket head cap screws, making bearing surfaces less likely to sink. Also, the bearing surface can be ensured even with large drilled hole diameters.
- Washer mounting work is not required, reducing the parts needed.
- Washerless design makes it ideal for automated screw fastening by robots.
- Excellent chemical resistance.
- Excellent lubrication property. Suitable for preventing seizing.
Tightening Property (Reference)

Reference data for Hex Socket Head Cap Screw - SUSXM7 - PTFE Coating SNSS-M5-25-TF.⇒The Features of Screws with Special Surface Treatment








