Specs/CAD
Select
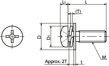
Unit : mm
| Part Number | M (Coarse) Nominal of Thread |
Pitch | L | D1 | D | L1 | t | T (Approx.) |
Cross-recessed Socket No. | Qty per Pack | Mass (g) |
CAD Download |
RFQ |
|---|---|---|---|---|---|---|---|---|---|---|---|---|---|
| SNPI3S-M2-4 | M2 | 0.4 | 4 | 3.5 | 5 | 1.3 | 0.3 | 0.7 | 1 | 10 | 0.22 | CAD | RFQ |
| SNPI3S-M2-5 | M2 | 0.4 | 5 | 3.5 | 5 | 1.3 | 0.3 | 0.7 | 1 | 10 | 0.24 | CAD | RFQ |
| SNPI3S-M2-6 | M2 | 0.4 | 6 | 3.5 | 5 | 1.3 | 0.3 | 0.7 | 1 | 10 | 0.26 | CAD | RFQ |
| SNPI3S-M2-8 | M2 | 0.4 | 8 | 3.5 | 5 | 1.3 | 0.3 | 0.7 | 1 | 10 | 0.29 | CAD | RFQ |
| SNPI3S-M2-10 | M2 | 0.4 | 10 | 3.5 | 5 | 1.3 | 0.3 | 0.7 | 1 | 10 | 0.33 | CAD | RFQ |
| SNPI3S-M2-12 | M2 | 0.4 | 12 | 3.5 | 5 | 1.3 | 0.3 | 0.7 | 1 | 10 | 0.36 | CAD | RFQ |
| SNPI3S-M2-16 | M2 | 0.4 | 16 | 3.5 | 5 | 1.3 | 0.3 | 0.7 | 1 | 10 | 0.43 | CAD | RFQ |
| SNPI3S-M2-20 | M2 | 0.4 | 20 | 3.5 | 5 | 1.3 | 0.3 | 0.7 | 1 | 10 | 0.5 | CAD | RFQ |
| SNPI3S-M2.5-4 | M2.5 | 0.45 | 4 | 4.5 | 6.5 | 1.7 | 0.5 | 0.7 | 1 | 10 | 0.43 | CAD | RFQ |
| SNPI3S-M2.5-5 | M2.5 | 0.45 | 5 | 4.5 | 6.5 | 1.7 | 0.5 | 0.7 | 1 | 10 | 0.46 | CAD | RFQ |
| SNPI3S-M2.5-6 | M2.5 | 0.45 | 6 | 4.5 | 6.5 | 1.7 | 0.5 | 0.7 | 1 | 10 | 0.49 | CAD | RFQ |
| SNPI3S-M2.5-8 | M2.5 | 0.45 | 8 | 4.5 | 6.5 | 1.7 | 0.5 | 0.7 | 1 | 10 | 0.55 | CAD | RFQ |
| SNPI3S-M2.5-10 | M2.5 | 0.45 | 10 | 4.5 | 6.5 | 1.7 | 0.5 | 0.7 | 1 | 10 | 0.6 | CAD | RFQ |
| SNPI3S-M2.5-12 | M2.5 | 0.45 | 12 | 4.5 | 6.5 | 1.7 | 0.5 | 0.7 | 1 | 10 | 0.65 | CAD | RFQ |
| SNPI3S-M2.5-16 | M2.5 | 0.45 | 16 | 4.5 | 6.5 | 1.7 | 0.5 | 0.7 | 1 | 10 | 0.76 | CAD | RFQ |
| SNPI3S-M2.5-20 | M2.5 | 0.45 | 20 | 4.5 | 6.5 | 1.7 | 0.5 | 0.7 | 1 | 10 | 0.87 | CAD | RFQ |
| SNPI3S-M3-4 | M3 | 0.5 | 4 | 5.5 | 7 | 2 | 0.5 | 0.7 | 2 | 10 | 0.63 | CAD | RFQ |
| SNPI3S-M3-5 | M3 | 0.5 | 5 | 5.5 | 7 | 2 | 0.5 | 0.7 | 2 | 10 | 0.66 | CAD | RFQ |
| SNPI3S-M3-6 | M3 | 0.5 | 6 | 5.5 | 7 | 2 | 0.5 | 0.7 | 2 | 10 | 0.68 | CAD | RFQ |
| SNPI3S-M3-8 | M3 | 0.5 | 8 | 5.5 | 7 | 2 | 0.5 | 0.7 | 2 | 10 | 0.74 | CAD | RFQ |
| SNPI3S-M3-10 | M3 | 0.5 | 10 | 5.5 | 7 | 2 | 0.5 | 0.7 | 2 | 10 | 0.82 | CAD | RFQ |
| SNPI3S-M3-12 | M3 | 0.5 | 12 | 5.5 | 7 | 2 | 0.5 | 0.7 | 2 | 10 | 0.9 | CAD | RFQ |
| SNPI3S-M3-16 | M3 | 0.5 | 16 | 5.5 | 7 | 2 | 0.5 | 0.7 | 2 | 10 | 1.1 | CAD | RFQ |
| SNPI3S-M3-20 | M3 | 0.5 | 20 | 5.5 | 7 | 2 | 0.5 | 0.7 | 2 | 10 | 1.3 | CAD | RFQ |
| SNPI3S-M3-25 | M3 | 0.5 | 25 | 5.5 | 7 | 2 | 0.5 | 0.7 | 2 | 10 | 1.5 | CAD | RFQ |
| SNPI3S-M3-30 | M3 | 0.5 | 30 | 5.5 | 7 | 2 | 0.5 | 0.7 | 2 | 10 | 1.7 | CAD | RFQ |
| SNPI3S-M3-35 | M3 | 0.5 | 35 | 5.5 | 7 | 2 | 0.5 | 0.7 | 2 | 10 | 2 | CAD | RFQ |
| SNPI3S-M3-40 | M3 | 0.5 | 40 | 5.5 | 7 | 2 | 0.5 | 0.7 | 2 | 10 | 2.2 | CAD | RFQ |
| SNPI3S-M3-45 | M3 | 0.5 | 45 | 5.5 | 7 | 2 | 0.5 | 0.7 | 2 | 10 | 2.4 | CAD | RFQ |
| SNPI3S-M3-50 | M3 | 0.5 | 50 | 5.5 | 7 | 2 | 0.5 | 0.7 | 2 | 10 | 2.6 | CAD | RFQ |
| SNPI3S-M4-6 | M4 | 0.7 | 6 | 7 | 9 | 2.6 | 0.8 | 1 | 2 | 10 | 1.5 | CAD | RFQ |
| SNPI3S-M4-8 | M4 | 0.7 | 8 | 7 | 9 | 2.6 | 0.8 | 1 | 2 | 10 | 1.6 | CAD | RFQ |
| SNPI3S-M4-10 | M4 | 0.7 | 10 | 7 | 9 | 2.6 | 0.8 | 1 | 2 | 10 | 1.8 | CAD | RFQ |
| SNPI3S-M4-12 | M4 | 0.7 | 12 | 7 | 9 | 2.6 | 0.8 | 1 | 2 | 10 | 1.9 | CAD | RFQ |
| SNPI3S-M4-16 | M4 | 0.7 | 16 | 7 | 9 | 2.6 | 0.8 | 1 | 2 | 10 | 2.3 | CAD | RFQ |
| SNPI3S-M4-20 | M4 | 0.7 | 20 | 7 | 9 | 2.6 | 0.8 | 1 | 2 | 10 | 2.6 | CAD | RFQ |
| SNPI3S-M4-25 | M4 | 0.7 | 25 | 7 | 9 | 2.6 | 0.8 | 1 | 2 | 10 | 2.9 | CAD | RFQ |
| SNPI3S-M4-30 | M4 | 0.7 | 30 | 7 | 9 | 2.6 | 0.8 | 1 | 2 | 10 | 3.3 | CAD | RFQ |
| SNPI3S-M4-35 | M4 | 0.7 | 35 | 7 | 9 | 2.6 | 0.8 | 1 | 2 | 10 | 3.7 | CAD | RFQ |
| SNPI3S-M4-40 | M4 | 0.7 | 40 | 7 | 9 | 2.6 | 0.8 | 1 | 2 | 10 | 4.1 | CAD | RFQ |
| SNPI3S-M4-45 | M4 | 0.7 | 45 | 7 | 9 | 2.6 | 0.8 | 1 | 2 | 10 | 4.5 | CAD | RFQ |
| SNPI3S-M4-50 | M4 | 0.7 | 50 | 7 | 9 | 2.6 | 0.8 | 1 | 2 | 10 | 4.8 | CAD | RFQ |
| SNPI3S-M5-8 | M5 | 0.8 | 8 | 9 | 10 | 3.3 | 1 | 1.3 | 2 | 10 | 2.9 | CAD | RFQ |
| SNPI3S-M5-10 | M5 | 0.8 | 10 | 9 | 10 | 3.3 | 1 | 1.3 | 2 | 10 | 3.2 | CAD | RFQ |
| SNPI3S-M5-12 | M5 | 0.8 | 12 | 9 | 10 | 3.3 | 1 | 1.3 | 2 | 10 | 3.4 | CAD | RFQ |
| SNPI3S-M5-16 | M5 | 0.8 | 16 | 9 | 10 | 3.3 | 1 | 1.3 | 2 | 10 | 3.9 | CAD | RFQ |
| SNPI3S-M5-20 | M5 | 0.8 | 20 | 9 | 10 | 3.3 | 1 | 1.3 | 2 | 10 | 4.4 | CAD | RFQ |
| SNPI3S-M5-25 | M5 | 0.8 | 25 | 9 | 10 | 3.3 | 1 | 1.3 | 2 | 10 | 5 | CAD | RFQ |
| SNPI3S-M5-30 | M5 | 0.8 | 30 | 9 | 10 | 3.3 | 1 | 1.3 | 2 | 10 | 5.6 | CAD | RFQ |
| SNPI3S-M5-35 | M5 | 0.8 | 35 | 9 | 10 | 3.3 | 1 | 1.3 | 2 | 10 | 6.2 | CAD | RFQ |
| SNPI3S-M5-40 | M5 | 0.8 | 40 | 9 | 10 | 3.3 | 1 | 1.3 | 2 | 10 | 6.9 | CAD | RFQ |
| SNPI3S-M5-45 | M5 | 0.8 | 45 | 9 | 10 | 3.3 | 1 | 1.3 | 2 | 10 | 7.5 | CAD | RFQ |
| SNPI3S-M5-50 | M5 | 0.8 | 50 | 9 | 10 | 3.3 | 1 | 1.3 | 2 | 10 | 8.1 | CAD | RFQ |
| SNPI3S-M6-10 | M6 | 1 | 10 | 10.5 | 12.5 | 3.9 | 1.6 | 1.5 | 3 | 10 | 5.8 | CAD | RFQ |
| SNPI3S-M6-12 | M6 | 1 | 12 | 10.5 | 12.5 | 3.9 | 1.6 | 1.5 | 3 | 10 | 6.7 | CAD | RFQ |
| SNPI3S-M6-16 | M6 | 1 | 16 | 10.5 | 12.5 | 3.9 | 1.6 | 1.5 | 3 | 10 | 7.4 | CAD | RFQ |
| SNPI3S-M6-20 | M6 | 1 | 20 | 10.5 | 12.5 | 3.9 | 1.6 | 1.5 | 3 | 10 | 7.6 | CAD | RFQ |
| SNPI3S-M6-25 | M6 | 1 | 25 | 10.5 | 12.5 | 3.9 | 1.6 | 1.5 | 3 | 10 | 8.9 | CAD | RFQ |
| SNPI3S-M6-30 | M6 | 1 | 30 | 10.5 | 12.5 | 3.9 | 1.6 | 1.5 | 3 | 10 | 9.8 | CAD | RFQ |
| SNPI3S-M6-35 | M6 | 1 | 35 | 10.5 | 12.5 | 3.9 | 1.6 | 1.5 | 3 | 10 | 10.2 | CAD | RFQ |
| SNPI3S-M6-40 | M6 | 1 | 40 | 10.5 | 12.5 | 3.9 | 1.6 | 1.5 | 3 | 10 | 11 | CAD | RFQ |
Nabeya Bi-tech Kaisha
Customer Service
Please enter questions about customization and other product-related inquiries here.
Find the inquiry form here● When purchasing less volume than one full bag, a separate handling fee is charged. For details, see the Sold Separately Service.
Related Services
Material/Finish
| SNPI3S | |
|---|---|
| Screw Body | SUSXM7 (Equivalent to SUS304) |
| Screw Body Strength Class | A2 - 50 |
| Plain Washer | SUS304 |
| Spring Washer | SUS304 |
Application
Semiconductor manufacturing equipment / Equipment and device structures / Offshore instruments / General industrial machinesCharacteristics
- Stainless steel Phillips cross recessed pan head machine screws with integrated washers.
- Plain washers and spring washers are integrated into the screws, preventing concerns about fallout issues. (Washer abbreviation: I=3)
- When using a washer in spot facing, workability is improved because the bolt and washer can be mounted and removed at the same time.








