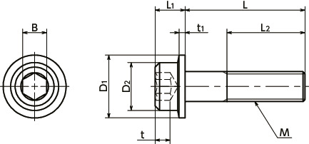
Specs/CAD
Unit : mm
| Part Number | M (Coarse) Nominal of Thread |
Pitch | L | D1 | D2 | L1 | L2 | B | t | t1 | Qty per Pack | Mass (g) |
CAD Download |
RFQ |
|---|---|---|---|---|---|---|---|---|---|---|---|---|---|---|
| SFSS-M4-6-UCL | M4 | 0.7 | 6 | 9 | 7 | 4 | Full Thread | 3 | 2 | 0.8 | 10 | 1.5 | CAD | RFQ |
| SFSS-M4-8-UCL | M4 | 0.7 | 8 | 9 | 7 | 4 | Full Thread | 3 | 2 | 0.8 | 10 | 1.7 | CAD | RFQ |
| SFSS-M4-10-UCL | M4 | 0.7 | 10 | 9 | 7 | 4 | Full Thread | 3 | 2 | 0.8 | 10 | 1.8 | CAD | RFQ |
| SFSS-M4-12-UCL | M4 | 0.7 | 12 | 9 | 7 | 4 | Full Thread | 3 | 2 | 0.8 | 10 | 2 | CAD | RFQ |
| SFSS-M4-16-UCL | M4 | 0.7 | 16 | 9 | 7 | 4 | Full Thread | 3 | 2 | 0.8 | 10 | 2.2 | CAD | RFQ |
| SFSS-M4-20-UCL | M4 | 0.7 | 20 | 9 | 7 | 4 | Full Thread | 3 | 2 | 0.8 | 10 | 2.6 | CAD | RFQ |
| SFSS-M5-8-UCL | M5 | 0.8 | 8 | 11 | 8.5 | 5 | Full Thread | 4 | 2.5 | 1 | 10 | 2.9 | CAD | RFQ |
| SFSS-M5-10-UCL | M5 | 0.8 | 10 | 11 | 8.5 | 5 | Full Thread | 4 | 2.5 | 1 | 10 | 3.2 | CAD | RFQ |
| SFSS-M5-12-UCL | M5 | 0.8 | 12 | 11 | 8.5 | 5 | Full Thread | 4 | 2.5 | 1 | 10 | 3.4 | CAD | RFQ |
| SFSS-M5-16-UCL | M5 | 0.8 | 16 | 11 | 8.5 | 5 | Full Thread | 4 | 2.5 | 1 | 10 | 3.9 | CAD | RFQ |
| SFSS-M5-20-UCL | M5 | 0.8 | 20 | 11 | 8.5 | 5 | Full Thread | 4 | 2.5 | 1 | 10 | 4.4 | CAD | RFQ |
| SFSS-M5-25-UCL | M5 | 0.8 | 25 | 11 | 8.5 | 5 | 16 | 4 | 2.5 | 1 | 10 | 5.2 | CAD | RFQ |
| SFSS-M6-10-UCL | M6 | 1 | 10 | 12.5 | 10 | 6 | Full Thread | 5 | 3 | 1.6 | 10 | 4.9 | CAD | RFQ |
| SFSS-M6-12-UCL | M6 | 1 | 12 | 12.5 | 10 | 6 | Full Thread | 5 | 3 | 1.6 | 10 | 5.3 | CAD | RFQ |
| SFSS-M6-16-UCL | M6 | 1 | 16 | 12.5 | 10 | 6 | Full Thread | 5 | 3 | 1.6 | 10 | 6 | CAD | RFQ |
| SFSS-M6-20-UCL | M6 | 1 | 20 | 12.5 | 10 | 6 | Full Thread | 5 | 3 | 1.6 | 10 | 6.6 | CAD | RFQ |
| SFSS-M6-25-UCL | M6 | 1 | 25 | 12.5 | 10 | 6 | Full Thread | 5 | 3 | 1.6 | 10 | 7.5 | CAD | RFQ |
| SFSS-M8-12-UCL | M8 | 1.25 | 12 | 17 | 13 | 8 | Full Thread | 6 | 4 | 1.6 | 10 | 11 | CAD | RFQ |
| SFSS-M8-16-UCL | M8 | 1.25 | 16 | 17 | 13 | 8 | Full Thread | 6 | 4 | 1.6 | 10 | 13 | CAD | RFQ |
| SFSS-M8-20-UCL | M8 | 1.25 | 20 | 17 | 13 | 8 | Full Thread | 6 | 4 | 1.6 | 10 | 14 | CAD | RFQ |
| SFSS-M8-25-UCL | M8 | 1.25 | 25 | 17 | 13 | 8 | Full Thread | 6 | 4 | 1.6 | 10 | 15 | CAD | RFQ |
| SFSS-M8-30-UCL | M8 | 1.25 | 30 | 17 | 13 | 8 | Full Thread | 6 | 4 | 1.6 | 10 | 17 | CAD | RFQ |
Nabeya Bi-tech Kaisha
Customer Service
Please enter questions about customization and other product-related inquiries here.
Find the inquiry form here● When purchasing less volume than one full bag, a separate handling fee is charged. For details, see the Sold Separately Service.
Related Services
Material/Finish
| SFSS-UCL | |
|---|---|
| Main Body | SUSXM7 (Equivalent to SUS304) USC Cleaning |
| Strength Class | A2 - 70 |
Application
FPD production equipment / Semiconductor manufacturing equipment / Medical equipment / Food machineryCharacteristics
- Stainless steel hex socket head cap screws with flange.
- Because the bearing surface is larger due to the head part flange, the pressure on the fastened material is dispersed compared to normal hex socket head cap screws, making bearing surfaces less likely to sink. Also, the bearing surface can be ensured even with large drilled hole diameters.
- Washer mounting work is not required, reducing the parts needed.
- Washerless design makes it ideal for automated screw fastening by robots.
- Cleanroom washing (ultrasonic cleaning)/cleanroom packing provided. ⇒Cleanroom Wash / Cleanroom Packing Service
- For parts embedded in FPD production equipment, semiconductor manufacturing equipment, medical equipment, or food machinery, or used in cleanrooms.









