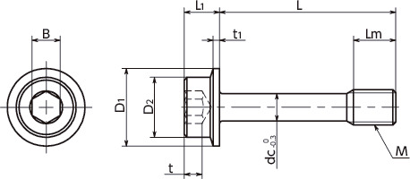
Specs/CAD
Unit : mm
| Part Number | M (Coarse) Nominal of Thread |
Pitch | L | Lm | D1 | D2 | L1 | B | t | t1 | dc | Mass (g) |
CAD Download |
RFQ |
|---|---|---|---|---|---|---|---|---|---|---|---|---|---|---|
| SSC-SFSS-M4-10 | M4 | 0.7 | 10 | 5 | 9 | 7 | 4 | 3 | 2 | 0.7 | 3 | 1.9 | CAD | RFQ |
| SSC-SFSS-M4-12 | M4 | 0.7 | 12 | 5 | 9 | 7 | 4 | 3 | 2 | 0.7 | 3 | 2.1 | CAD | RFQ |
| SSC-SFSS-M4-16 | M4 | 0.7 | 16 | 5 | 9 | 7 | 4 | 3 | 2 | 0.7 | 3 | 2.4 | CAD | RFQ |
| SSC-SFSS-M4-20 | M4 | 0.7 | 20 | 5 | 9 | 7 | 4 | 3 | 2 | 0.7 | 3 | 2.6 | CAD | RFQ |
| SSC-SFSS-M5-12 | M5 | 0.8 | 12 | 6 | 11 | 8.5 | 5 | 4 | 2.5 | 0.9 | 3.9 | 3.4 | CAD | RFQ |
| SSC-SFSS-M5-16 | M5 | 0.8 | 16 | 6 | 11 | 8.5 | 5 | 4 | 2.5 | 0.9 | 3.9 | 3.9 | CAD | RFQ |
| SSC-SFSS-M5-20 | M5 | 0.8 | 20 | 6 | 11 | 8.5 | 5 | 4 | 2.5 | 0.9 | 3.9 | 4.4 | CAD | RFQ |
| SSC-SFSS-M5-25 | M5 | 0.8 | 25 | 6 | 11 | 8.5 | 5 | 4 | 2.5 | 0.9 | 3.9 | 5.2 | CAD | RFQ |
| SSC-SFSS-M6-12 | M6 | 1 | 12 | 8 | 12.5 | 10 | 6 | 5 | 3 | 1.5 | 4.5 | 5.3 | CAD | RFQ |
| SSC-SFSS-M6-16 | M6 | 1 | 16 | 8 | 12.5 | 10 | 6 | 5 | 3 | 1.5 | 4.5 | 6 | CAD | RFQ |
| SSC-SFSS-M6-20 | M6 | 1 | 20 | 8 | 12.5 | 10 | 6 | 5 | 3 | 1.5 | 4.5 | 6.7 | CAD | RFQ |
| SSC-SFSS-M6-25 | M6 | 1 | 25 | 8 | 12.5 | 10 | 6 | 5 | 3 | 1.5 | 4.5 | 7.8 | CAD | RFQ |
| SSC-SFSS-M8-16 | M8 | 1.25 | 16 | 10 | 17 | 13 | 8 | 6 | 4 | 1.5 | 6.3 | 13 | CAD | RFQ |
| SSC-SFSS-M8-20 | M8 | 1.25 | 20 | 10 | 17 | 13 | 8 | 6 | 4 | 1.5 | 6.3 | 14 | CAD | RFQ |
| SSC-SFSS-M8-25 | M8 | 1.25 | 25 | 10 | 17 | 13 | 8 | 6 | 4 | 1.5 | 6.3 | 16 | CAD | RFQ |
| SSC-SFSS-M8-30 | M8 | 1.25 | 30 | 10 | 17 | 13 | 8 | 6 | 4 | 1.5 | 6.3 | 18 | CAD | RFQ |
Nabeya Bi-tech Kaisha
Customer Service
Please enter questions about customization and other product-related inquiries here.
Find the inquiry form hereRelated Services
Material/Finish
| SSC-SFSS | |
|---|---|
| Main Body | SUSXM7 (Equivalent to SUS304) |
| Strength Class | A2-70 |
Application
For fixing protective covers and maintenance coversCE Marking compatible
Machine tools / Food machinery / Electrical and electronic equipment
Characteristics
- Flanged captive screws.
- Hex socket head cap screw type.
- Prevents fallout and loss of the screw. They are intended to fix protective and inspection covers that are frequently installed and removed.
- For CE Marking compatibility. ⇒Use the NBK Captive Screw Series to be comply with CE
- Because the bearing surface is larger due to the head part flange, the pressure on the fastened material is dispersed compared to normal hex socket head cap screws, making bearing surfaces less likely to sink. Also, the bearing surface can be ensured even with large drilled hole diameters.
- Washer mounting work is not required, reducing the parts needed.
- Washerless design makes it ideal for automated screw fastening by robots.
Installation Example
Make a screw hole in the cover, and then pass the SSC-SFSS thread part through it. Even when the screw is removed from the frame, SSC-SFSS does not fall out of the cover because the SSC-SFSS thread part catches on the cover screw hole.





