Specs/CAD
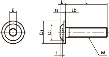
Unit : mm
| Part Number | M (Coarse) Nominal of Thread |
Pitch | L | D1 | D2 | L1 | t1 | B | t | Lb | Max. Torque(N・m) | Qty per Pack | Mass (g) |
CAD Download |
RFQ |
|---|---|---|---|---|---|---|---|---|---|---|---|---|---|---|---|
| SFBS-M3-6 | M3 | 0.5 | 6 | 7 | 5.2 | 1.65 | 0.6 | 2 | 1.05 | 1 | 0.25 | 20 | 0.52 | CAD | RFQ |
| SFBS-M3-8 | M3 | 0.5 | 8 | 7 | 5.2 | 1.65 | 0.6 | 2 | 1.05 | 1 | 0.25 | 20 | 0.61 | CAD | RFQ |
| SFBS-M3-10 | M3 | 0.5 | 10 | 7 | 5.2 | 1.65 | 0.6 | 2 | 1.05 | 1 | 0.25 | 20 | 0.69 | CAD | RFQ |
| SFBS-M3-12 | M3 | 0.5 | 12 | 7 | 5.2 | 1.65 | 0.6 | 2 | 1.05 | 1 | 0.25 | 20 | 0.78 | CAD | RFQ |
| SFBS-M4-6 | M4 | 0.7 | 6 | 9.2 | 6.8 | 2.2 | 0.7 | 2.5 | 1.3 | 1.4 | 0.5 | 20 | 1 | CAD | RFQ |
| SFBS-M4-8 | M4 | 0.7 | 8 | 9.2 | 6.8 | 2.2 | 0.7 | 2.5 | 1.3 | 1.4 | 0.5 | 20 | 1.2 | CAD | RFQ |
| SFBS-M4-10 | M4 | 0.7 | 10 | 9.2 | 6.8 | 2.2 | 0.7 | 2.5 | 1.3 | 1.4 | 0.5 | 20 | 1.3 | CAD | RFQ |
| SFBS-M4-12 | M4 | 0.7 | 12 | 9.2 | 6.8 | 2.2 | 0.7 | 2.5 | 1.3 | 1.4 | 0.5 | 20 | 1.5 | CAD | RFQ |
| SFBS-M4-16 | M4 | 0.7 | 16 | 9.2 | 6.8 | 2.2 | 0.7 | 2.5 | 1.3 | 1.4 | 0.5 | 20 | 1.8 | CAD | RFQ |
| SFBS-M4-20 | M4 | 0.7 | 20 | 9.2 | 6.8 | 2.2 | 0.7 | 2.5 | 1.3 | 1.4 | 0.5 | 20 | 2 | CAD | RFQ |
| SFBS-M5-8 | M5 | 0.8 | 8 | 11.4 | 8.5 | 2.75 | 0.9 | 3 | 1.6 | 1.6 | 1 | 20 | 2 | CAD | RFQ |
| SFBS-M5-10 | M5 | 0.8 | 10 | 11.4 | 8.5 | 2.75 | 0.9 | 3 | 1.6 | 1.6 | 1 | 20 | 2.3 | CAD | RFQ |
| SFBS-M5-12 | M5 | 0.8 | 12 | 11.4 | 8.5 | 2.75 | 0.9 | 3 | 1.6 | 1.6 | 1 | 20 | 2.5 | CAD | RFQ |
| SFBS-M5-16 | M5 | 0.8 | 16 | 11.4 | 8.5 | 2.75 | 0.9 | 3 | 1.6 | 1.6 | 1 | 20 | 3 | CAD | RFQ |
| SFBS-M5-20 | M5 | 0.8 | 20 | 11.4 | 8.5 | 2.75 | 0.9 | 3 | 1.6 | 1.6 | 1 | 20 | 3.5 | CAD | RFQ |
| SFBS-M5-25 | M5 | 0.8 | 25 | 11.4 | 8.5 | 2.75 | 0.9 | 3 | 1.6 | 1.6 | 1 | 20 | 4 | CAD | RFQ |
| SFBS-M6-8 | M6 | 1 | 8 | 13.6 | 10.1 | 3.3 | 1 | 4 | 2.1 | 2 | 2 | 20 | 3 | CAD | RFQ |
| SFBS-M6-10 | M6 | 1 | 10 | 13.6 | 10.1 | 3.3 | 1 | 4 | 2.1 | 2 | 2 | 20 | 3.4 | CAD | RFQ |
| SFBS-M6-12 | M6 | 1 | 12 | 13.6 | 10.1 | 3.3 | 1 | 4 | 2.1 | 2 | 2 | 20 | 3.8 | CAD | RFQ |
| SFBS-M6-16 | M6 | 1 | 16 | 13.6 | 10.1 | 3.3 | 1 | 4 | 2.1 | 2 | 2 | 20 | 4.5 | CAD | RFQ |
| SFBS-M6-20 | M6 | 1 | 20 | 13.6 | 10.1 | 3.3 | 1 | 4 | 2.1 | 2 | 2 | 20 | 5.2 | CAD | RFQ |
Nabeya Bi-tech Kaisha
Customer Service
Please enter questions about customization and other product-related inquiries here.
Find the inquiry form here●When purchasing less volume than one full bag, a separate handling fee is charged. For details, see the Sold Separately Service.
Related Services
Material/Finish
| SFBS | |
|---|---|
| Main Body | SUSXM7 (Equivalent to SUS304) |
| Strength Class | A2-50 |
Application
Reducing the size of equipment and devicesCharacteristics
- Socket button head cap screws with wide bearing surface and are resistant to looseness.
- Intended for reducing the size of devices and applications with limited overhead space.







