Hints for Correctly Using NBK Products
The video is an example using SSC (SSC). You can perform the same operation using this product.
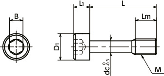
Specs/CAD
Unit : mm
| Part Number | M (Coarse) Nominal of Thread |
Pitch | L | Lm | D1 | L1 | B | dc | Mass (g) |
CAD Download |
RFQ |
|---|---|---|---|---|---|---|---|---|---|---|---|
| SSC-M6-12-FC | M6 | 1 | 12 | 8 | 10 | 6 | 5 | 4.5 | 5.1 | CAD | RFQ |
| SSC-M6-16-FC | M6 | 1 | 16 | 8 | 10 | 6 | 5 | 4.5 | 5.8 | CAD | RFQ |
| SSC-M6-20-FC | M6 | 1 | 20 | 8 | 10 | 6 | 5 | 4.5 | 6.5 | CAD | RFQ |
| SSC-M6-25-FC | M6 | 1 | 25 | 8 | 10 | 6 | 5 | 4.5 | 7.6 | CAD | RFQ |
| SSC-M6-30-FC | M6 | 1 | 30 | 8 | 10 | 6 | 5 | 4.5 | 8.3 | CAD | RFQ |
Nabeya Bi-tech Kaisha
Customer Service
Please enter questions about customization and other product-related inquiries here.
Find the inquiry form hereMaterial/Finish
| SSC-FC | |
|---|---|
| Main Body | SUSXM7 (Equivalent to SUS304) Fluorine Coating |
| Strength Class | A2 - 70 |
Application
For fixing protective covers and maintenance coversCE Marking compatible
Machine tools / Food machinery / Electrical and electronic equipment
Characteristics
- Prevents fall-off and loss of the screw. They are intended to fix protective and inspection covers that are frequently installed and removed.
- For CE Marking compatibility. ⇒Use the NBK Captive Screw Series to be comply with CE
- Highly cost-effective coating.
- Excellent lubrication property. Suitable for preventing seizing.
Precautions for Use
- Screw hole inner diameter on the cover side shall be at least the dc dimension.
- The cover thickness should be 0.8mm or above.
Tightening Property (Reference)

Reference data for Hex Socket Head Cap Screw - Fluorine Coating SNSS-M5-25-FC.⇒The Features of Screws with Special Surface Treatment
Installation Example
Make a screw hole in the cover, and then pass the SSC-FC thread part through it. Even when the screw is removed from the frame, SSC-FC does not fall out of the cover because the SSC-FC thread part catches on the cover screw hole.






